Overview
Product Details
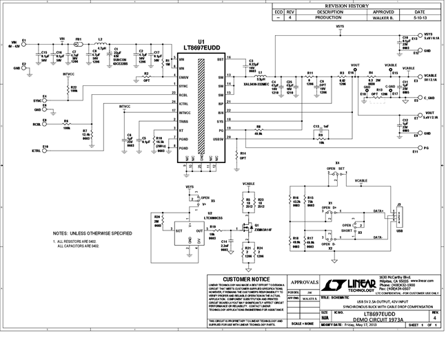
Demonstration circuit 1973A is a USB 5V 2.5A output, 6V to 42V input synchronous buck with cable drop compensation featuring the LT8697. The LT8697 is a compact, high efficiency, high speed synchronous monolithic step-down switching regulator designed to power 5V USB applications. A precise output voltage and programmable cable drop compensation maintain accurate 5V regulation at the USB socket at the end of a long cable. The circuit runs at 2MHz to minimize external components size and to avoid AM band.
Markets and Technologies
Applicable Parts
Documentation & Resources
-
DC1973A - Schematic9/10/2013PDF84K
-
DC1973A - Demo Manual8/14/2013PDF391K
-
DC1973A - Design Files9/10/2013ZIP2M
