Overview
Product Details
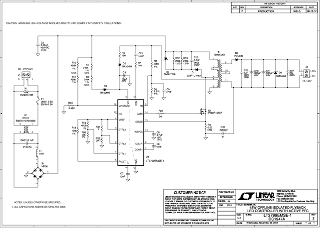
DC1947A: Demo Board for the LT3799-1 Offline Isolated Flyback LED Controller with Active PFC.
Applicable Parts
Documentation & Resources
-
DC1947A - Schematic2/5/2013PDF48K
-
DC1947A - Demo Manual1/29/2013PDF249K
-
DC1947A - Design Files2/5/2013ZIP790K




