Overview
Product Details
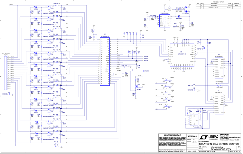
Evaluation circuit DC1835A is a Battery Monitoring System to demonstrate the functional operation of the LTC6803-4 integrated circuit. The design includes the ability to bus up to 10 devices with built-in board-toboard ribbon-cable interconnects and selectively apply resistive loading to any cell for purposes of “Passive Balancing.” Additionally, the board includes a DC-DC boost conversion section to power the IC from an isolated external 5V supply. The external 5V supply also powers a data isolator so that the user SPI data bus is floating with respect to the monitored cells.
Documentation & Resources
- 
                                                                
                                                                    
                                                                                                                                            DC1835A - Schematic6/2/2014PDF109K
- 
                                                                
                                                                    
                                                                                                                                            DC1835A - Demo Manual6/2/2014PDF1M
- 
                                                                
                                                                    
                                                                                                                                            DC1835A - Design Files6/2/2014ZIP3M
 
                             
                         
                         
                                                 
                                                 
                                                 
                                                 
                                                



