Overview
Product Details
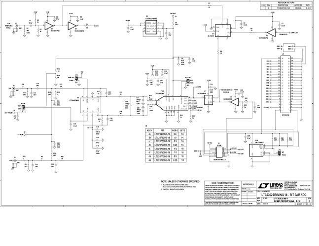
The LTC6362 is a low power, low noise differential op amp with rail-to-rail input and output swing that has been optimized to drive low power SAR ADCs. The amplifier may be configured to buffer a fully differential input signal or convert a single-ended input signal to a differential output signal.
Markets and Technologies
Applicable Parts
Documentation & Resources
- 
                                                                
                                                                    
                                                                                                                                            DC1805A - Schematic5/16/2012PDF103K
- 
                                                                
                                                                    
                                                                                                                                            DC1805A - Demo Manual5/16/2012PDF753K
- 
                                                                
                                                                    
                                                                                                                                            DC1805A - Design Files5/16/2012ZIP2M
 
                             
                         
                         
                                                