Overview
Product Details
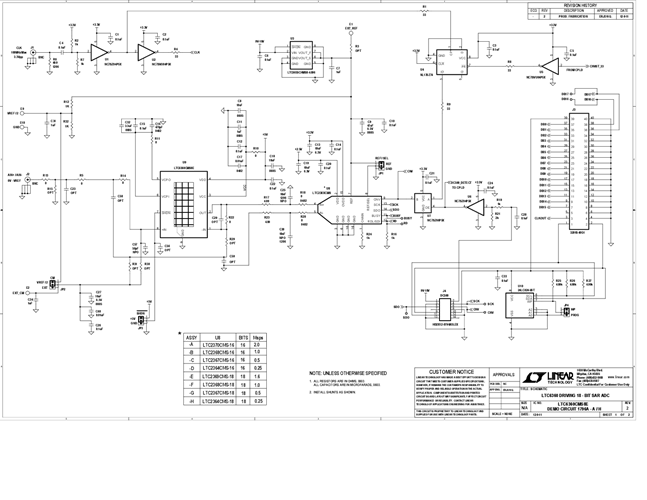
DC1796A-A Demo Board for:
LTC2370-16 16-Bit, 2Msps, Pseudo- Differential Unipolar SAR ADC with 94dB SNR
LTC6360 Very Low Noise Single-Ended SAR ADC Driver with True Zero Output
Markets and Technologies
Applicable Parts
Documentation & Resources
-
DC1796A - Schematic6/21/2012PDF105K
-
DC1796A - Demo Manual6/21/2012PDF1M
-
DC1796A - Design Files6/21/2012ZIP1M
