Overview
Product Details
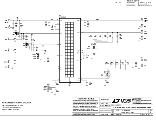
Demonstration circuit 1793A is a high voltage inverting charge pump with low noise dual-polarity LDO regulators featuring the LTC3260EMSE. The LTC3260 operates with an input voltage from 4.5V to 32V. The demo board provides selectable LDO± output set magnitudes of 3.3V, 5V, 12V and 24V for each polarity. Additional LDO± set point jumper selections and optional topside ADJ± resistors allow the user to set other desired LDO± output voltages. The demo board also provides the means to select between Burst Mode® operation or constant-frequency mode operation, plus select an operating frequency of 500kHz, 200kHz, and 50kHz.
Documentation & Resources
-
DC1793A - Schematic5/30/2012PDF489K
-
DC1793A - Demo Manual1/21/2014PDF151K
-
DC1793A - Design Files10/18/2013ZIP840K





