Overview
Product Details
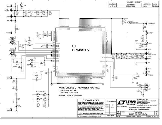
DC1743A: Demo Board for LTM4613 EN55022B Compliant 36VIN, 15VOUT, 8A, DC/DC µModule Regulator.
Markets and Technologies
Applicable Parts
Documentation & Resources
-
DC1743A - Schematic3/28/2012PDF99K
-
DC1743A - Demo Manual5/13/2011PDF376K
-
DC1743A - Design Files5/13/2011ZIP2M




