User Guide
Rev.
A
1
View All
Overview
Product Details
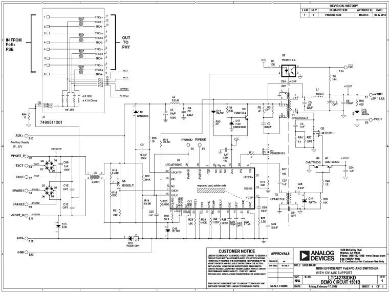
DC1561B: Demo Board for the LTC4278 IEEE 802.3at PD with Synchronous No-Opto Flyback Controller and 12V Auxiliary Support.
Applicable Parts
Documentation & Resources
-
DC1561B - Schematic7/25/2012PDF80K
-
DC1561B - Demo Manual (Rev. A)6/14/2012PDF407K
-
DC1561B - Design Files5/18/2012ZIP1M






