Overview
Product Details
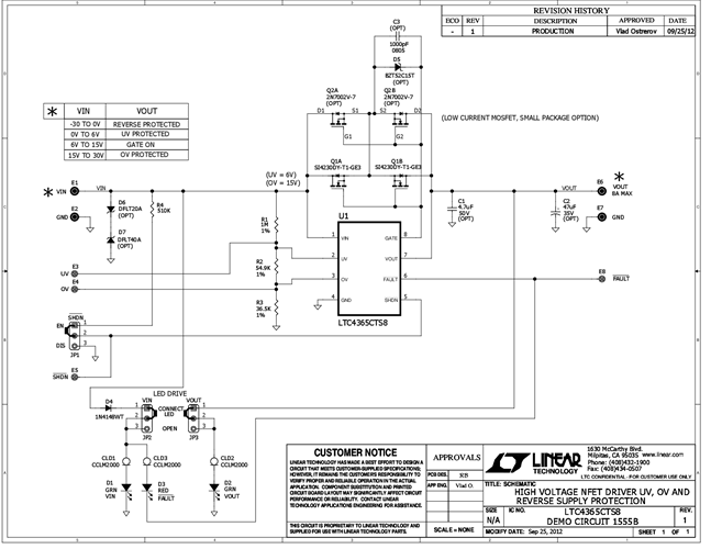
DC1555B: Demo Board for the LTC4365 Overvoltage, Undervoltage and Reverse Supply Protection Controller.
Markets and Technologies
Applicable Parts
Documentation & Resources
-
DC1555B - Schematic4/22/2013PDF57K
-
DC1555B - Demo Manual8/15/2013PDF325K
-
DC1555B - Design Files4/22/2013ZIP2M




