Overview
Product Details
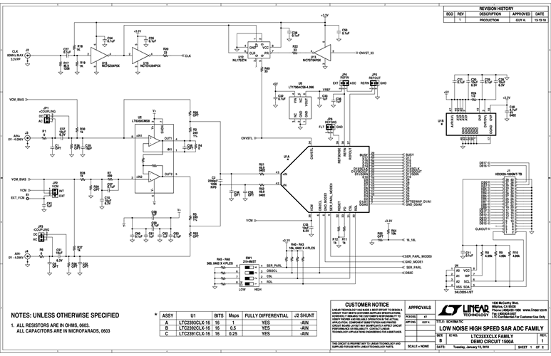
DC1500A-C: Demo Board for the LT6350 Low Noise Single-Ended to Differential Converter/ADC Driver and for LTC2391-16, 16-Bit, 250ksps SAR ADC with 94dB SNR.
Applicable Parts
Documentation & Resources
-
DC1500A - Schematic4/15/2010PDF96K
-
DC1500A - Demo Manual4/15/2010PDF687K
-
DC1500A - Design Files4/15/2010ZIP1M
