Overview
Product Details
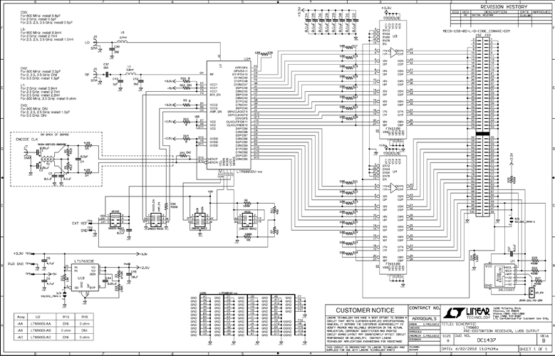
DC1437B-AB: Demo Board for the LTM9003-AB 12-Bit Digital Pre-Distortion Receiver Subsystem.
Applicable Parts
Documentation & Resources
-
DC1437B - Schematic8/1/2014PDF81K
-
DC1437B - Demo Manual8/1/2014PDF465K
-
DC1437B - Design Files8/1/2014ZIP1M
