Overview
Product Details
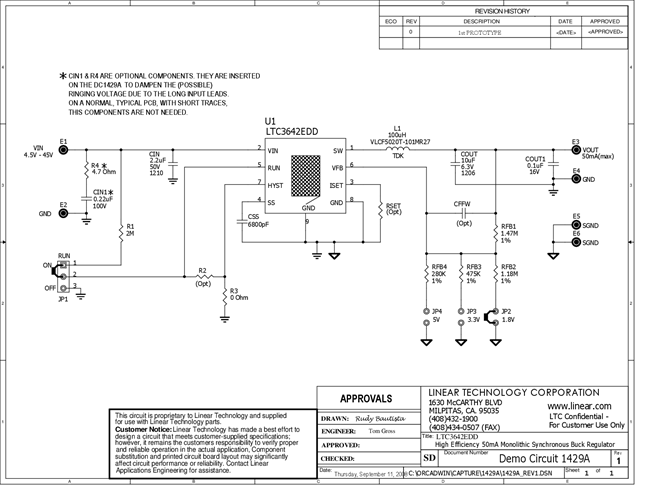
Demonstration circuit DC1429A is a high efficiency step-down DC/DC converter featuring LTC3642 with internal high side and synchronous power switches that draws only 10μA quiescent current. It has a wide 4.5V to 45V input range and internal over voltage monitor capable of protecting the part through 60V surges. The jumper-selectable output is up to 5V. LTC3642 can supply up to 50mA load current with a programmable peak current limit that provides a simple method for optimizing efficiency in lower current applications. With no compensation required, LTC3642 is easily configured with minimal components. Gerber files for this circuit are available.
Markets and Technologies
Applicable Parts
Documentation & Resources
-
DC1429A - Schematic9/24/2009PDF82K
-
DC1429A - Demo Manual9/24/2009PDF351K
-
DC1429A - Design File9/24/2009ZIP1M
