Overview
Product Details
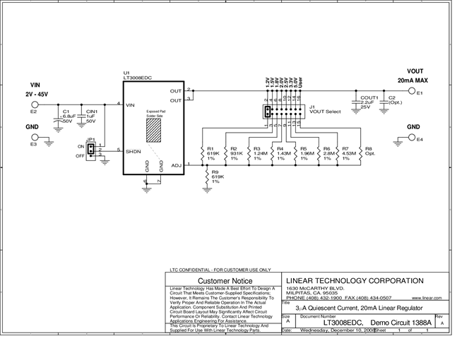
Demonstration circuit 1388A is an ultralow quiescent current and low dropout voltage linear regulator featuring the LT3008 in the 2 × 2 DFN-6 package. The DC1388A has an input voltage range from 2V to 45V, and is capable of delivering up to 20mA output current. The jumper-selectable output voltage can be set to 1.2V, 1.5V, 1.8V, 2V, 2.5V, 3.3V, 5V or a user-defined value. With a 3µA quiescent current, the LT3008 is ideal for supplying power to low current battery-powered systems, keep-alive power supply and remote monitoring utility meters and hotel door locks.
Markets and Technologies
Applicable Parts
Documentation & Resources
-
DC1388A - Schematic9/24/2009PDF24K
-
DC1388A - Demo Manual9/24/2009PDF1M
-
DC1388A - Design File9/24/2009ZIP486K




