Overview
Product Details
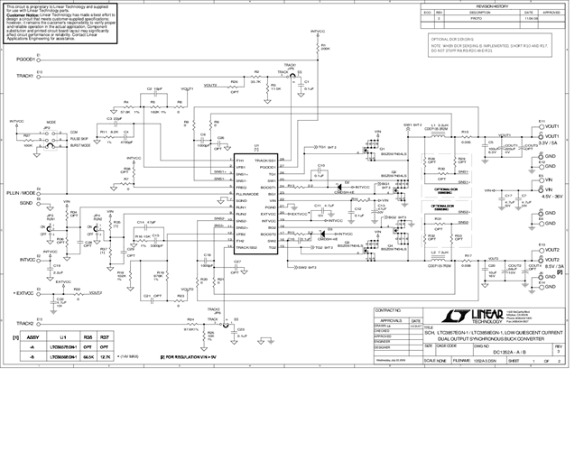
Demonstration circuit 1352A is a low quiescent current, dual output 2-phase, synchronous buck converter demo board featuring the LTC3857EGN-1 or LTC3858EGN-1. It features a 4.5V to 36V input voltage range and provides 3.3V / 5A and 8.5V / 3A outputs. Two versions of the board are available. The DC-1352A-A is for the LTC3857EGN-1, which offers lower quiescent current and smaller burst mode ripple, while the DC1352A-B is for the LTC3858EGN-1 which offers latch-off protection and increased burst mode efficiency.
Applicable Parts
Documentation & Resources
-
DC1352A - Schematic10/22/2009PDF89K
-
DC1352A - Demo Board10/22/2009PDF1M
-
DC1352A - Design Files10/22/2009ZIP3M
