Overview
Product Details
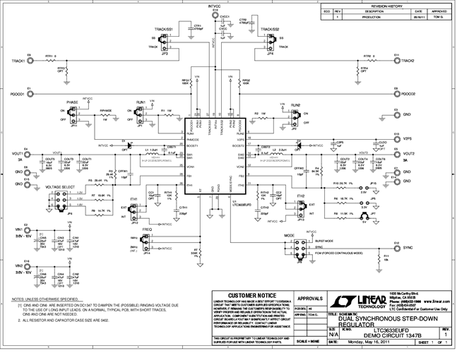
Demonstration circuit DC1347 is a dual output regulator consisting of two constant-frequency step-down converters, based on the LTC3633 monolithic dual channel synchronous buck regulator. The DC1347 has an input voltage range of 3.6V to 15V, with each regulator capable of delivering up to 3A of output current.
Markets and Technologies
Applicable Parts
Documentation & Resources
-
DC1347B - Schematic12/13/2011PDF72K
-
DC1347B - Demo Manual12/2/2011PDF490K
-
DC1347B - Design Files12/2/2011ZIP3M
