Overview
Product Details
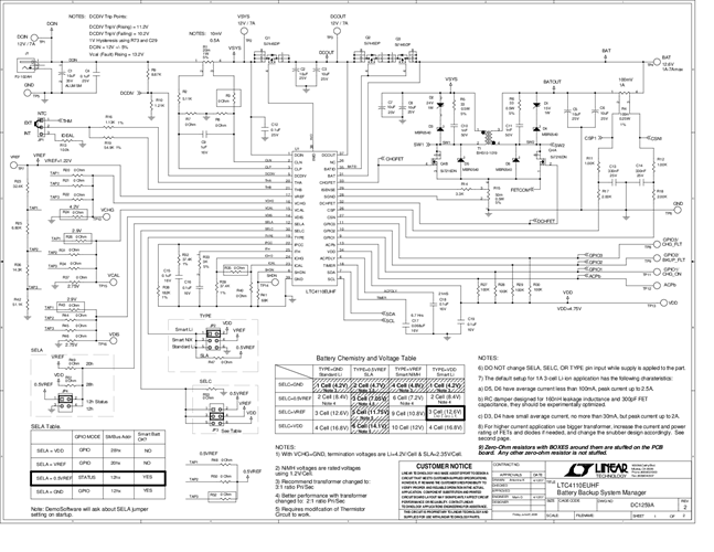
Demonstration circuit DC1259A is a single-battery battery- backup controller featuring the LTC4110. The LTC4110 controller provides all the features and functions to offer a complete standalone battery-backup system. The LTC4110 is a multi-chemistry flyback battery charger and discharger that is scalable with other LTC4110s to allow a larger battery array for increased capacity and/or redundancy.
The demo board requires a 12V input voltage and is initially configured to charge a 3 Li-Ion Smart Battery at 1A; the charge voltage is 12.6V. However, the Demo board can be easily configured for a standard battery as well. A SMBus interface is offered to allow host communications in control and status and/or support Smart Batteries. However, no host is required to use the LTC4110.
Applicable Parts
Documentation & Resources
-
DC1259A - Schematic9/24/2009PDF96K
-
DC1259A - Demo Manual1/11/2011PDF511K
-
DC1259A - Design File9/24/2009ZIP1M




