Overview
Product Details
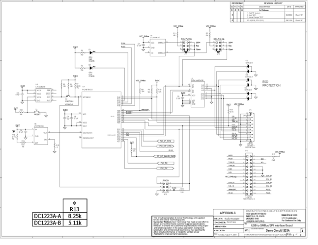
DC1223A-B - Demo Board
Documentation & Resources
-
DC1223A-B - Schematic10/6/2009PDF123K
-
DC1223A-B - Demo Manual3/4/2016PDF2M
-
DC1223A-B - Design Files10/6/2009ZIP2M
