Overview
Product Details
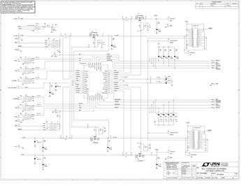
DC1054A/B: Demo Board for the LTC4242 Dual Slot Hot Swap Controller for PCI Express.
Documentation & Resources
-
Hot Swap Controllers8/2/2023PDF0 M
-
DC1054A/B - Schematic9/24/2009PDF51K
-
DC1054A/B - Demo Manual9/24/2009PDF517K
-
DC1054A/B - Design File9/24/2009ZIP1M
