Overview
Features and Benefits
- Variable 72 V to 96 V voltage range, suitable for E2W/E3W applications
- ASIL-D compliant and automotive grade BMS chip
- Built-in charge, pre-charge, and discharge circuitry
- 1.8 mV total measurement error (TME) for cell voltage monitoring
- High performance cell/pack voltage and current monitoring
- On-board isoSPI communication
- Low Power Cell Monitoring (LPCM) capability
- GPIO Controllable FET Monitoring
- ADBMS6830 GPIO input ready for NTC sensors
- Low Power MAX32690 MCU
- UART and CAN Communication
- SOC and SOH thru Enhanced Coulomb Counting Technique
- E2W/E3W Basic System Behavior Modes
- Embedded Application-ready (via CLI)
- With GUI capable of the following measurements and fault detection:
- Cell Monitoring
- Voltage and Current Pack Monitoring
- Charge Current Monitoring
- Discharge Current Monitoring
- Temperature Monitoring
- Cell OV/UV Detection
- Cell/GPIO Open-wire Detection
- Cell Balancing
Product Details
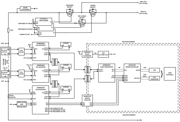
The AD-BMSE2E3W-SL is a BMS reference design for light electric vehicles (LEVs). With a voltage range of 72 V to 96 V, this solution is suitable for electric 2-wheeler and 3-wheeler vehicles with high current capacity ranging up to 100 A.
This single-board system utilizes the best-in-class ADBMS6830 cell monitoring chip that is capable of monitoring up to 2x 16-channel. This board also features battery pack monitoring using the ADBMS2950. The ADBMS6822 dual isoSPI transceiver provides a built-in 2-wire reversible isoSPI connection, which simplifies the communication of BMS parts in a daisy chain configuration before sending the data to SPI lines in the microcontroller.
The on-board MAX32690 MCU, when loaded with the firmware, can perform BMS measurements such as cell voltage (average and filtered), and pack voltage and pack current measurement. The board also has a charge, pre-charge, and discharge mode that can be controlled by the ADBMS2950 pack monitor chip.
The AD-BMSE2E3W-SL is designed to perform either in embedded mode or using a GUI, where it calculates the battery's State of Charge (SoC) and State of Health (SoH) through enhanced coulomb counting technique.
APPLICATIONS
- Electric and hybrid 2-wheeler vehicles
- Electric and hybrid 3-wheeler vehicles
- Light electric vehicles
Markets and Technologies
Applicable Parts
Documentation & Resources
-
AD-BMSE2E3W-SL Design Support Files7/9/2024ZIP17M
-
AD-BMSE2E3W-SL User Guide (GitHub)4/16/2026
-
UG-2245: AD-BMSE2E3W-SL Quick Start Guide (Rev. 0)7/10/2024PDF911 K



