Overview
Product Details
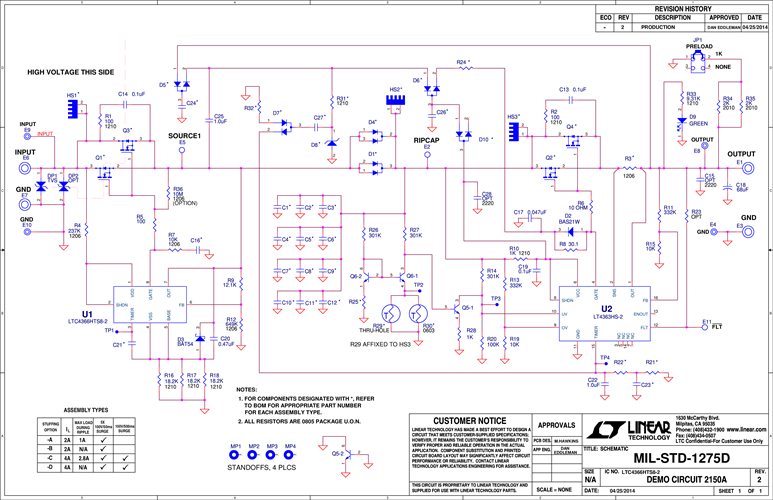
Demonstration circuit 2150A uses the LTC4366-2 and LT4363-2 surge stoppers to satisfy MIL-STD-1275D. This specification, created by the United States Department of Defense, sets down requirements of electrical systems powered from a military vehicle’s 28V power supply. DC2150A’s output voltage is limited to 44V when faced with MIL-STD-1275D’s onerous surge, spike, and ripple conditions. In most circumstances, satisfying MIL-STD-1275D is as simple as placing this circuit in front of a 44V tolerant device. The default version, DC2150A-C, provides a minimum of 4A to the output in all conditions except the ±7V ripple condition (14Vpeak-to-peak). During the ripple condition, DC2150A-C provides a minimum of 2.8A to the load. Exceeding 2.8A during the input ripple condition may cause DC2150A-C to timeout and shutoff in less than MIL-STD-1275D’s one minute ripple ride-through requirement.
Markets and Technologies
Applicable Parts
Documentation & Resources
-
DC2150A - MET Labs EMC Test Report9/23/2014PDF1M
-
DC2150A - Schematic9/22/2014PDF76K
-
DC2150A - Demo Manual9/22/2014PDF439K
-
DC2150A - Design Files9/22/2014ZIP1M
-
Surge Stoppers Ease MIL-STD-1275D Compliance11/25/2014




