DS2151, DS2152, DS2153, DS2154 T1/E1 Line Monitor
Abstract
The DS2151, DS2152, DS2153 and DS2154 single chip transceivers (SCTs) can be used in non-intrusive line monitor applications. Typical monitor ports are isolated from TIP and RING by 470 ohms (T1) resistors. These isolation resistors along with the termination of the monitor (100 ohms, T1) produce about 20dB of resistive loss.
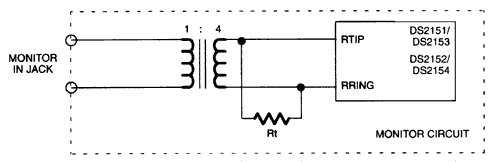
The DS2151, DS2152, DS2153 and DS2154 SCT (Single Chip Transceivers) can be used in a non-intrusive line monitor application. Typical monitor ports are isolated from TIP and RING by 470Ω (T1) resistors as shown in Figure 1. These isolation resistors along with the termination of the monitor (100Ω, T1) produce about 20 dB of resistive loss. Using a 1 to 4 step-up transformer, as shown in Figure 2, will add about 12 dB of gain bringing the signal level up to a recoverable range. Note that the effective termination resistance is 1/16 of Rt in Figure 2 due to the transformer. Table 1 gives the Monitor circuit termination resistor values.

Figure 1. Typical monitor port.

Figure 2. Monitor.
| Mode | RT | Device |
| T1 | 1600 ohms | DS2151, DS2152 |
| E1, 120 | 1920 ohms | DS2153, DS2154 |
| E1, 75 | 1200 ohms | DS2153, DS2154 |
Note: The DS2152 and DS2154 have a mode in which 6 dB of flat gain can be added by setting the 02h bit in register TEST2.