MAXQ3181

Low-Power, Active Energy, Polyphase AFE

Not Ready for a Multifunction Design? The MAXQ3181 Provides Active Energy Metering, but is Pin Compatible with the MAXQ3180!

Viewing:

Overview

  • Compatible with 3-Phase/3-Wire, 3-Phase/4-Wire, and Other 3-Phase Services
  • 0.1% Active Power and Energy Linearity Error
  • 0.5% Apparent Power and Energy Linearity Error
  • 0.5% Linearity Errors for RMS Voltage and RMS Current
  • Neutral Line Current Measurement
  • Line Frequency (Hz)
  • Power Factors
  • Phase Sequence Indication
  • Phase Voltage Absence Detection
  • Programmable Pulse Width
  • Programmable No-Load Current Threshold
  • Programmable Meter Constant
  • Programmable Thresholds for Undervoltage and Overvoltage Detection
  • Programmable Threshold for Overcurrent Detection
  • Amp-Hours in Absence of Voltage Signals
  • On-Chip Digital Temperature Sensor
  • Precision Internal Voltage Reference 2.048V (30ppm/°C typical), Also Supports An External Voltage Reference
  • Active Power and Energy of Each Phase and Combined 3-Phase (kWh), Positive and Negative
  • Apparent Power and Energy of Each Phase and Combined 3-Phase
  • Supports Software Meter Calibration
  • Up to 3-Point Multipoint Calibration to Compensate for Transducer Nonlinearity
  • Power-Fail Detection
  • Bidirectional Reset Input/Output
  • SPI-Compatible Serial Interface with Interrupt Request (Acitve-Low IRQ) Output
  • Single 3.3V Supply, Low Power (35mW typical)

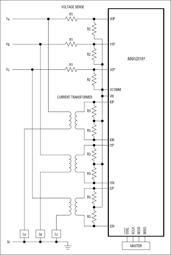
The MAXQ3181 is a dedicated electricity measurement front-end that collects and calculates polyphase voltage, current, active power and energy, and many other metering parameters of a polyphase load. The computed results can be retrieved by an external master through the on-chip serial peripheral interface (SPI™) bus. This bus is also used by the external master to configure the operation of the MAXQ3181 and monitor the status of operations.

The MAXQ3181 performs voltage and current measurements using an integrated ADC that can measure up to seven external differential signal pairs. An eighth differential signal pair is used to measure the die temperature. An internal amplifier automatically adjusts the current channel gain to compensate for low-current channel-signal levels.

Applications

  • 3-Phase Active Energy Electricity Meters

MAXQ3181
Low-Power, Active Energy, Polyphase AFE
MAXQ3181: Typical Application Circuit
Add to myAnalog

Add product to the Products section of myAnalog (to receive notifications), to an existing project or to a new project.

Create New Project
Ask a Question

Documentation

Reliability Data 1

Request an NDA

Complete documentation is available upon completion of a Non-Disclosure Agreement (NDA).

Request an NDA
Learn More
Add to myAnalog

Add media to the Resources section of myAnalog, to an existing project or to a new project.

Create New Project

Software Resources

Can't find the software or driver you need?

Request a Driver/Software

Hardware Ecosystem

Parts Product Life Cycle Description
Analog to Digital Converters (ADCs) 1
MAXQ3180 Low-Power, Multifunction, Polyphase AFE
Modal heading
Add to myAnalog

Add product to the Products section of myAnalog (to receive notifications), to an existing project or to a new project.

Create New Project

Latest Discussions

No discussions on MAXQ3181 yet. Have something to say?

Start a Discussion on EngineerZone®

Recently Viewed