Two engineers working in the lab

Save time and deliver your solutions faster with ADI’s new suite of precision technology signal chains. Align your applications ranging from Smart Industry to Instrumentation, Electrification to Digital Health, to exactly the right precision technology combinations.

Tailor your signal chain with confidence

MAX9679B

12-Channel, 10-Bit Programmable Gamma and VCOM Reference Voltages

Provides a Complete Solution for Programmable Reference Voltages for Gamma Correction

Viewing:

Overview

  • 12 Channels of Programmable Gamma Voltages with 10-Bit Resolution
  • Programmable VCOM Voltage with 10-Bit Resolution
  • Programmable Reference for DACs
  • Multiple-Time Programmable Memory to Store Gamma and VCOM Codes
  • Switching Between Two Gamma Curves and VCOM Voltages
  • AVDD1, AVDD2, and AVDD_AMP Supplies to Reduce Heat
  • I²C Interface (1MHz Fast-Mode Plus)

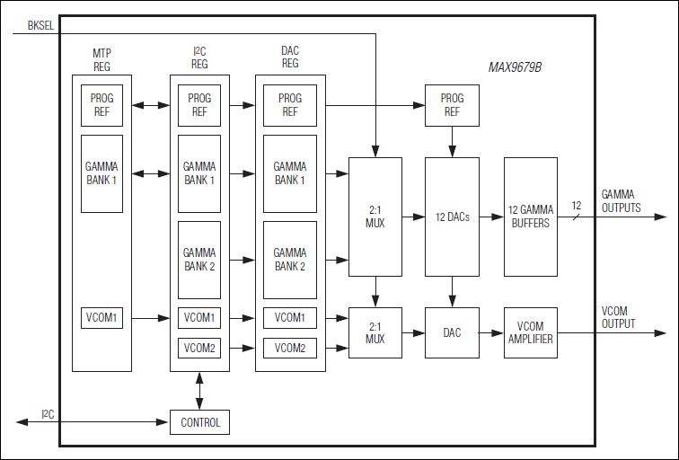
The MAX9679B provides multiple programmable reference voltages for gamma correction in TFT LCDs and a programmable reference voltage for VCOM adjustment. All gamma and VCOM reference voltages have a 10-bit digital-to-analog converter (DAC) and high-current buffer, which reduces the recovery time of the output voltages when critical levels and patterns are displayed. A programmable internal reference sets the full-scale voltage of the DACs.

Two independent sets of gamma curves and VCOM codes can be stored in the IC's volatile memory; BKSEL signal selects between the two sets.

The IC has multiple-time programmable (MTP) memory to store gamma and VCOM codes on the chip, eliminating the need for external EEPROM.

Applications

  • TFT LCDs

MAX9679B
12-Channel, 10-Bit Programmable Gamma and VCOM Reference Voltages
MAX9679B: Simplified Block Diagram
Add to myAnalog

Add product to the Products section of myAnalog (to receive notifications), to an existing project or to a new project.

Create New Project
Ask a Question

Documentation

Learn More
Add to myAnalog

Add media to the Resources section of myAnalog, to an existing project or to a new project.

Create New Project

Latest Discussions

No discussions on MAX9679B yet. Have something to say?

Start a Discussion on EngineerZone®

Recently Viewed