MAX9396

PRE-RELEASE

2:1 Multiplexer and 1:2 Demultiplexer with Loopback

Multiplexer/Demultiplexer with 450mV Differential Output

Viewing:

Overview

  • Guaranteed 1.25Gbps Operation with 450mV (min) Differential Output Swing
  • Integrated 100Ω Resistors on Differential Inputs
  • Simultaneous Loopback Control
  • 2ps(RMS) (max) Random Jitter
  • AC Specifications Guaranteed for 150mV Differential Input
  • Signal Inputs Accept Any Differential Signals with VCM = +0.6V to (VCC - 0.05V)
  • LVDS Outputs for Clock or High-Speed Data
  • Low-Level Input Fail-Safe Detection
  • +3.0V to +3.6V Supply Voltage Range
  • LVCMOS/LVTTL Logic Inputs

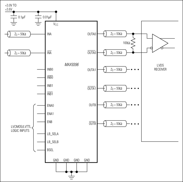
The MAX9396 consists of a 2:1 multiplexer and a 1:2 demultiplexer with loopback. The multiplexer section (channel B) accepts two differential inputs and generates a single differential output. The demultiplexer section (channel A) accepts a single differential input and generates two parallel differential outputs. The MAX9396 features a loopback mode that connects the input of channel A to the output of channel B and connects the selected input of channel B to the outputs of channel A.

The differential inputs of the MAX9396 accept CML/LVPECL levels and can also accept LVDS inputs with common-mode voltages from +0.6V to (VCC - 0.05V). The differential outputs are LVDS compatible and drive 100Ω loads.

Three LVCMOS/LVTTL logic inputs control the internal connections between inputs and outputs, one for the multiplexer portion of channel B (BSEL), and the other two for loopback control of channels A and B (LB_SELA and LB_SELB). Independent enable inputs for each differential output pair provide additional flexibility.

Fail-safe circuitry forces the outputs to a differential low condition for undriven inputs or when the commonmode voltage is below +0.6V.

Ultra-low 57psP-P (typ) pseudorandom bit sequence (PRBS) jitter ensures reliable communications in high-speed links that are highly sensitive to timing error, especially those incorporating clock-and-data recovery, or serializers and deserializers. The high-speed switching performance guarantees 1.25Gbps operation and less than 87ps (max) skew between channels.

The MAX9396 is available in a 32-pin TQFP package and is specified over the -40°C to +85°C extended temperature range.

Applications

  • Central Office Backplane Clock Distribution
  • DSLAM
  • Fault-Tolerant Systems
  • High-Speed Telecom/Datacom Equipment
  • Protection Switching

MAX9396
2:1 Multiplexer and 1:2 Demultiplexer with Loopback
MAX9396: Typical Operating Circuit
Add to myAnalog

Add product to the Products section of myAnalog (to receive notifications), to an existing project or to a new project.

Create New Project
Ask a Question

Documentation

Learn More
Add to myAnalog

Add media to the Resources section of myAnalog, to an existing project or to a new project.

Create New Project

Software Resources

Can't find the software or driver you need?

Request a Driver/Software

Hardware Ecosystem

Parts Product Life Cycle Description
Analog Switches & Multiplexers 2
MAX9395 PRE-RELEASE 2:1 Multiplexers and 1:2 Demultiplexers with Loopback
MAX9394 LAST TIME BUY 2:1 Multiplexers and 1:2 Demultiplexers with Loopback
Modal heading
Add to myAnalog

Add product to the Products section of myAnalog (to receive notifications), to an existing project or to a new project.

Create New Project

Latest Discussions

No discussions on MAX9396 yet. Have something to say?

Start a Discussion on EngineerZone®

Recently Viewed