MAX8904

PRODUCTION

High-Efficiency Power-Management IC with I²C Control for 2-Cell Li+ Battery Operated Devices

Highly Integrated PMIC Optimized for POS Terminals

Viewing:

Overview

  • 3.4V to 13.2V Input Voltage Range
  • 1MHz, Up to 90% Efficient, Synchronous DC-DC Step-Down Converters
  • Power Converters 1V2, 1V8, and ADJ Operated Out-of-Phase with Respect to 3V3 and 5V0
  • 667kHz Step-Up Converter Provides Up to 32V Output for Driving Up to Eight WLEDs
  • Internal Compensation on All Power Converters
  • Fast Line and Load Transient Responses
  • Internal Soft-Start and Short-Circuit Protection on All Power Converter Outputs
  • Input Overvoltage and Reverse Polarity Protection
  • 250ms Fault Timer-Based Protection for Overload, Short Circuit
  • I²C Serial Interface for On/Off Control, Output Voltage, WLED Current, GPIO Setting, Fault Monitoring
  • < 15µA Standby Current Over Operating Voltage Range and Temperature
  • Compact, 56-Pin, 7mm x 7mm TQFN Package

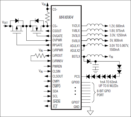
The MAX8904 power-management IC provides a complete power-supply solution for 2-cell Li+ handheld/Li-Poly applications such as point-of-sale terminals, digital SLR cameras, digital video cameras and ultra-mobile PCs.

The MAX8904 includes five step-down converters (1V2, 1V8, 3V3, 5V0, and ADJ) with internal MOSFETs and +1%/-3% accurate output voltages for processor core, memory, I/O, and other system power rail requirements. LCD backlighting is supported by a WLED boost converter that can provide 35mA for up to 8 WLEDs. This boost converter is also configurable as a 6-bit programmable voltage source that can provide up to 63mA of output current. A 500mA, internal MOSFET, current-limited switch (CLS), allows system designers to control input power to external peripheral devices.

The MAX8904 controls an external n-MOSFET for input overvoltage protection (13.5V, typ) and an external p-MOSFET for reverse polarity protection (up to -28V) of downstream circuits. System input current monitoring for power management is facilitated by an on-board current-sense amplifier (CSA) with differential inputs and a 1.2V full scale, ground-referenced analog output.

A 400kHz, I²C interface supports output voltage setting of the ADJ power rail and boost regulator (voltage source mode), WLED current setting for the boost regulator (WLED current regulator mode), GPIO control, and enable/disable of ADJ, 5V0, boost regulator, CSA blocks. The I²C interface also enables the host processor to read on-board fault status registers when interrupted by the MAX8904 active-low FLT pin under system fault conditions.

An emergency shutdown input, active-low SHDN allows converters preselected through I²C to turn off immediately under power-fail conditions, thus saving valuable firmware execution time. An uncommitted, active-low, 14V open-drain comparator (CMP) with a 1.25V internal reference is also provided in the MAX8904. The MAX8904 PWREN logic input turns on the 1V2, 1V8, 3V3, and 5V0 default power rails.

The MAX8904 is available in a 56-pin, 7mm x 7mm TQFN package.

Applications

  • Digital SLR Cameras
  • Digital Video Cameras
  • Point-of-Sale Terminals
  • Ultra-Mobile PCs

MAX8904
High-Efficiency Power-Management IC with I²C Control for 2-Cell Li+ Battery Operated Devices
MAX8904: Typical Operating Circuit
Add to myAnalog

Add product to the Products section of myAnalog (to receive notifications), to an existing project or to a new project.

Create New Project
Ask a Question

Documentation

Learn More
Add to myAnalog

Add media to the Resources section of myAnalog, to an existing project or to a new project.

Create New Project

Software Resources

Can't find the software or driver you need?

Request a Driver/Software

Hardware Ecosystem

Parts Product Life Cycle Description
Switching Regulators & Controllers 1
MAX8682 PRODUCTION Smallest 6-Channel, 2-Cell Li+ PMIC for Digital SLR Cameras
Modal heading
Add to myAnalog

Add product to the Products section of myAnalog (to receive notifications), to an existing project or to a new project.

Create New Project

Evaluation Kits

MAX8904EVKIT

Evaluation Kit for the MAX8904

Features and Benefits

  • Input-Voltage Range of 3.4V to 13.2V
  • 1MHz, Up to 90% Efficient, Synchronous DC-DC Step-Down Converters
  • Power Converters 1V2, 1V8, and ADJ Operated Out-of-Phase with Respect to 3V3 and 5V0
  • 667kHz Step-Up Converter Provides Up to 32V Output for Driving Up to Eight WLEDs
  • Internal Compensation on All Power Converters
  • Fast Line- and Load-Transient Responses
  • Internal Soft-Start and Short-Circuit Protection on All Power Converter Outputs
  • Input Overvoltage and Reverse-Polarity Protection
  • 250ms Fault Timer-Based Protection for Overload and Short Circuit
  • I²C Serial Interface for On/Off Control, Output Voltage, WLED Current, GPIO Setting, and Fault Monitoring
  • < 10μA Standby Current
  • Compact, 56-Pin 7mm x 7mm TQFN Package
  • Fully Assembled and Tested

Product Details

The MAX8904 evaluation kit (EV kit) is a fully assembled and tested PCB that evaluates the MAX8904 power-management IC. The MAX8904 EV kit operates from an input supply range of 3.4V to 13.2V and is controlled by an I²C interface. The MAX8904 includes five step-down converters (1V2, 1V8, 3V3, 5V0, and ADJ), a WLED step-up converter (BST), a current-limited switch (CLS), a current-sense amplifier (CSA) with differential inputs, an active-low open-drain comparator (CMP), and an 8-bit GPIO port. The MAX8904 also controls an external n-MOSFET for input overvoltage protection (13.5V, typ) and an external p-MOSFET for reverse-polarity protection (up to -28V) of downstream circuits. The I²C interface supports output-voltage setting of the ADJ power rail and BST regulator (voltage-source mode), WLED current setting for the BST regulator (WLED current regulator mode), GPIO control, and enable/disable of ADJ, 5V0, BST, CSA, CMP, and CLS blocks.

The MAX8904 EV kit also includes Windows® 2000-, Windows XP®-, and Windows Vista®-compatible software that provides a simple graphical user interface (GUI) for exercising the features of the MAX8904. To evaluate the MAX8904, order the MINIQUSB+ command module along with the MAX8904 EV kit.

Applications

  • Digital SLR Cameras
  • Digital Video Cameras
  • Point-of-Sale Terminals
  • Ultra-Mobile PCs

MAX8904EVKIT
Evaluation Kit for the MAX8904

Latest Discussions

No discussions on MAX8904 yet. Have something to say?

Start a Discussion on EngineerZone®

Recently Viewed