MAX8884Z

Obsolete

700mA DC-DC Step-Down Converters with Dual 300mA LDO in 2mm x 2mm CSP

Saves Board Space by Consolidating Multiple Supplies into a Single Tiny 2mm x 2mm IC

Viewing:

Overview

  • Step-Down Converter
    • Pin-Selectable Output Voltage (1.2V/1.8V)
    • 2MHz or 4MHz Switching Frequency
    • Low-Output Voltage Ripple
    • 700mA Output Drive Capability
    • Simple Logic ON/OFF Control
    • Tiny External Components
  • Low-Noise LDOs
    • 2 x 300mA LDO
    • Pin-Selectable Output Voltage (LDO1)
    • Low 26µVRMS (typ) Output Noise
    • High 65dB (typ) PSRR
    • Simple Logic ON/OFF Control
  • Low 0.1µA Shutdown Current
  • 2.7V to 5.5V Supply Voltage Range
  • Thermal Shutdown
  • Tiny, 2mm x 2mm x 0.65mm CSP Package (4x4 Grid)

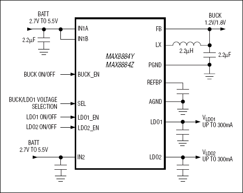
The MAX8884Y/MAX8884Z step-down converters with dual low-dropout (LDO) linear regulators are intended to power low-voltage microprocessors, DSPs, camera and Wi-Fi modules, or other point of load applications in portable devices. These ICs feature high efficiency with small external component size. The step-down converter output voltage is pin selectable between 1.2V and 1.8V, and provides guaranteed output current of 700mA. The 2/4MHz hysteretic-PWM control scheme allows for tiny external components and reduces no-load operating current to 50µA. Two low quiescent current, low-noise LDOs operate down to 2.7V supply voltage. Two switching frequency options are available—MAX8884Y (2MHz) and MAX8884Z (4MHz)—allowing optimization for smallest solution size or highest efficiency. Fast switching allows the use of small ceramic 2.2µF input and output capacitors while maintaining low ripple voltage. The MAX8884Y/MAX8884Z have individual enables for each output, maximizing flexibility.

The MAX8884Y/MAX8884Z are available in a 16-bump, 2mm x 2mm CSP package (0.7mm max height).

Applications

  • Cell Phones/Smartphones
  • Digital Cameras, Camcorders
  • Handheld Instruments
  • PCMCIA Cards
  • PDA and Palmtop Computers
  • Portable MP3 and DVD Players

MAX8884Z
700mA DC-DC Step-Down Converters with Dual 300mA LDO in 2mm x 2mm CSP
MAX8884Y, MAX8884Z: Typical Operating Circuit
Add to myAnalog

Add product to the Products section of myAnalog (to receive notifications), to an existing project or to a new project.

Create New Project
Ask a Question

Documentation

Learn More
Add to myAnalog

Add media to the Resources section of myAnalog, to an existing project or to a new project.

Create New Project

Software Resources

Can't find the software or driver you need?

Request a Driver/Software

Latest Discussions

No discussions on MAX8884Z yet. Have something to say?

Start a Discussion on EngineerZone®

Recently Viewed