MAX8739

Obsolete

TFT, LCD, DC-DC Converter with Operational Amplifiers

Viewing:

Overview

  • 1.8V to 5.5V Input Supply Range
  • 600kHz/1.2MHz Current-Mode Step-Up Regulator
    Fast Transient Response to Pulsed Load
    High-Accuracy Output Voltage (1.5%)
    Built-In 14V, 1.9A, 0.2Ω n-Channel MOSFET
    High Efficiency (> 85%)
    Digital Soft-Start
  • Two High-Performance Operational Amplifiers
    ±150mA Output Short-Circuit Current
    7.5V/µs Slew Rate
    12MHz, -3dB Bandwidth
    Rail-to-Rail Inputs/Outputs
  • Logic-Controlled, High-Voltage Switch with Adjustable Delay
  • Built-In Power-Up Sequence
  • Input Supply Undervoltage Lockout
  • Timer Delay Fault Latch for All Regulator Outputs
  • Thermal-Overload Protection
  • The MAX8739 includes a high-performance, step-up regulator and two high-current operational amplifiers for active-matrix thin-film transistor (TFT) liquid-crystal displays(LCDs). The input supply voltage range of the MAX8739 is from 1.8V to 5.5V. The device also includes a logic-controlled, high-voltage switch with adjustable delay.

    The step-up DC-DC converter provides the regulated supply voltage for the panel source driver ICs. The converter is a high-frequency (600kHz/1.2MHz) current-mode regulator with an integrated 14V n-channel MOSFET that allows the use of ultra-small inductors and ceramic capacitors. It provides fast transient response to pulsed loads while achieving efficiencies over 85%.

    The two high-performance operational amplifiers are designed to drive the LCD backplane (VCOM) and/or the gamma-correction-divider string. The devices feature high output current (±150mA), fast slew rate (7.5V/µs), wide bandwidth (12MHz), and rail-to-rail inputs and outputs.

    The MAX8739 is available in a 20-pin, 5mm x 5mm thin QFN package with a maximum thickness of 0.8mm for ultra-thin LCD panels.

    Applications

    • LCD Monitor Panels
    • Notebook Computer Displays

    MAX8739
    TFT, LCD, DC-DC Converter with Operational Amplifiers
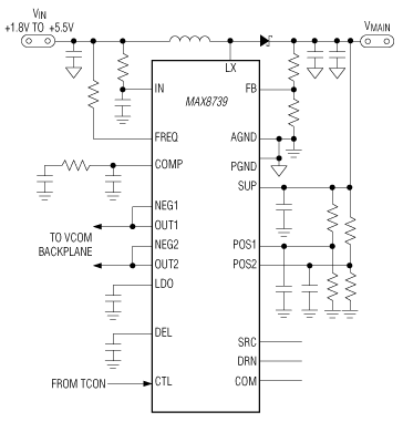
    MAX8739: Typical Simplified Circuit
    Add to myAnalog

    Add product to the Products section of myAnalog (to receive notifications), to an existing project or to a new project.

    Create New Project
    Ask a Question

    Documentation

    Learn More
    Add to myAnalog

    Add media to the Resources section of myAnalog, to an existing project or to a new project.

    Create New Project

    Software Resources

    Can't find the software or driver you need?

    Request a Driver/Software

    Hardware Ecosystem

    Parts Product Life Cycle Description
    Switching Regulators & Controllers 5
    MAX1543 Obsolete TFT LCD DC-to-DC Converter with Operational Amplifiers
    MAX1542 TFT LCD DC-to-DC Converter with Operational Amplifiers
    MAX1516A TFT-LCD DC-DC Converters with Operational Amplifiers
    MAX1517A TFT-LCD DC-DC Converters with Operational Amplifiers
    MAX1518A TFT-LCD DC-DC Converters with Operational Amplifiers
    Modal heading
    Add to myAnalog

    Add product to the Products section of myAnalog (to receive notifications), to an existing project or to a new project.

    Create New Project

    Latest Discussions

    No discussions on MAX8739 yet. Have something to say?

    Start a Discussion on EngineerZone®

    Recently Viewed