MAX8658

1- to 8-Phase, Master-Slave CPU Core Regulator with Integrated Power MOSFETs

25A/Phase VRM Regulator Chipset for VRD10/VRD11 and K8
Has Reference Input to Support Up to 200A Output

Viewing:

Overview

  • 25A/Phase with Integrated Power MOSFETs
  • Intel VRD10/VRD11, AMD K8/K8 Rev F Compliant
  • Fast Load-Transient Response
  • Current Foldback Limit
  • 300kHz to 1000kHz Switching Frequency per Phase
  • Externally Programmable Temperature Compensation
  • Precise Phase-to-Phase Current Sharing
  • Reference Input (MAX8657 Only)
  • Few Interconnects Between Master/Slaves
  • Remote Voltage Sensing
  • Overtemperature Protection for Master and Slave
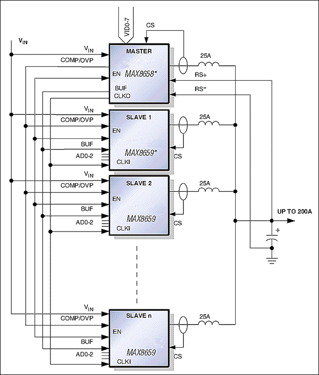
  • The MAX8657/MAX8658/MAX8659 form a chipset for supporting the latest CPU power specifications, Intel® VRD10/VRD11, and AMD® K8/K8 Rev F, as well as a reference input for all other power-supply needs. The MAX8657/MAX8658 are master controllers with all the necessary control and housekeeping circuitry in addition to having integrated power MOSFETs for up to 25A/phase output. The MAX8659 is the slave with integrated MOSFETs for up to 25A/phase output, and has local control functions such as current loop, overtemperature protection, undervoltage lockout (UVLO), and OVP. The number of phases in operation is established by control pins on the slave, which are hardwired as high, low, or unconnected.

    The MAX8659 slave contains a PWM comparator, driver, integrated MOSFETs, and bootstrap diodes to support up to 25A of output current. The IC accepts control/clock signals from the MAX8657/MAX8658 master to regulate the output inductor current. Address bits on the MAX8659 enable the slaves to decode the clock signal appropriately to implement 2/3/4/5/6/7/8-phase operation.

    The MAX8657/MAX8658 incorporate a proprietary “rapid active average” current-mode control scheme for precise load sharing between phases as well as accurate droop-setting independent of inductor tolerances. Either parasitic inductor DCR or resistive current sensing is implemented.

    The MAX8657/MAX8658 are available in a 56-pin 8mm x 8mm thin QFN package. The MAX8659 is available in a 40-pin 6mm x 6mm thin QFN package.

    Learn More About PowerMind™

    Applications

    • Graphic Cards
    • Power-Supply Modules
    • Servers
    • Telecom/Datacom Power Supplies
    • Workstations

    MAX8658
    1- to 8-Phase, Master-Slave CPU Core Regulator with Integrated Power MOSFETs
    MAX8657, MAX8658, MAX8659: Typical Operating Circuit
    Add to myAnalog

    Add product to the Products section of myAnalog (to receive notifications), to an existing project or to a new project.

    Create New Project
    Ask a Question
    Learn More
    Add to myAnalog

    Add media to the Resources section of myAnalog, to an existing project or to a new project.

    Create New Project

    Hardware Ecosystem

    Parts Product Life Cycle Description
    Power System Management (PSM) & Sequencers 1
    MAX8688 PRODUCTION Digital Power-Supply Controller/Monitor with PMBus Interface
    Switching Regulators & Controllers 4
    MAX8653 Obsolete Dual, 5A, 1.5MHz, Step-Down Regulator with Integrated High-Side Switches
    MAX8655 PRODUCTION Highly Integrated, 25A, Wide-Input, Internal MOSFET, Step-Down Regulator
    MAX8686 NOT RECOMMENDED FOR NEW DESIGNS Single/Multiphase, Step-Down, DC-DC Converter Delivers Up to 25A Per Phase
    MAX8654 PRODUCTION 12V, 8A, 1.2MHz, Step-Down Regulator
    Modal heading
    Add to myAnalog

    Add product to the Products section of myAnalog (to receive notifications), to an existing project or to a new project.

    Create New Project

    Latest Discussions

    No discussions on MAX8658 yet. Have something to say?

    Start a Discussion on EngineerZone®

    Recently Viewed