MAX8608Y

High-Efficiency, 26V Step-Up Converters for Main and Subdisplays Using OLEDs and/or White LEDs

Boost Converter for Dual-Display Output Utilizing Any Combination of WLED and OLED Displays, Smallest 3mm x 3mm TDFN Package with Only One Inductor and Schottky Diode with More Flexibility in Meeting Customer Application Design Requirements

Viewing:

Overview

  • For Dual Displays
    OLED + OLED
    White LED + OLED
    White LED + White LED
  • Two Outputs Share One Inductor and One Schottky Diode
  • Output True Shutdown™
  • Over 83% Efficiency at 13V–20V/10mA–20mA
  • Up to 900mW Output Power
  • Flexible Analog or PWM Dimming Control
  • Selectable 1MHz or 500kHz PWM Operation
  • Temperature Derating (MAX8608Y)
  • Small, Low-Profile External Components
  • 26V Output Overvoltage Protection
  • Optimized for Low Input/Output Ripple
  • Soft-Start Eliminates Inrush Current
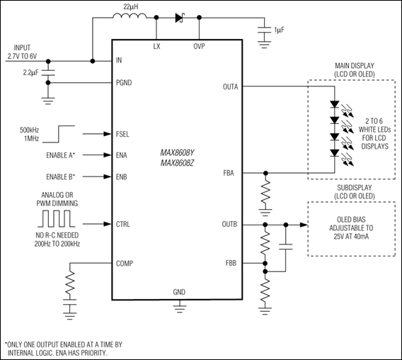
  • The MAX8608Y/MAX8608Z dual LED drivers use a single inductor to provide two outputs for either organic LED (OLED) power or white LED (WLED) drive in dual-display cell phones. Each output can be configured for either voltage regulation (adjustable up to 26V) for OLED or current regulation (adjustable up to 40mA) for WLED.

    The topology integrates a single 1MHz/500kHz PWM step-up converter and two output load switches to minimize size and external components and maximize efficiency. Each output (OUTA, OUTB) is enabled by individual logic inputs for simplicity; however, if ENA is high, ENB is overridden and OUTB becomes disabled. A single CTRL input accepts either an analog or direct- PWM dimming signal for proportional control of the output voltage or current. Internal lowpass filtering eliminates the need for any external filters at CTRL while maintaining low input and output ripple under all conditions.

    The MAX8608Y features a TA derating function to avoid overdriving the LEDs during high ambient temperatures, enabling higher drive current below +40°C. Other features shared by both devices include soft-start, output overvoltage protection, output overcurrent/short-circuit protection, output True Shutdown™, and thermal shutdown.

    The MAX8608Y/MAX8608Z are available in a space-saving, 14-pin, 3mm x 3mm TDFN lead-free package.

    Applications

    • Cell Phones/Smartphones
    • OLED Power and/or White LED Backlights
    • PDAs, Palmtops, and Wireless Handhelds

    MAX8608Y
    High-Efficiency, 26V Step-Up Converters for Main and Subdisplays Using OLEDs and/or White LEDs
    MAX8608Y, MAX8608Z: Typical Operating Circuit
    Add to myAnalog

    Add product to the Products section of myAnalog (to receive notifications), to an existing project or to a new project.

    Create New Project
    Ask a Question

    Documentation

    Learn More
    Add to myAnalog

    Add media to the Resources section of myAnalog, to an existing project or to a new project.

    Create New Project

    Software Resources

    Can't find the software or driver you need?

    Request a Driver/Software

    Latest Discussions

    No discussions on MAX8608Y yet. Have something to say?

    Start a Discussion on EngineerZone®

    Recently Viewed