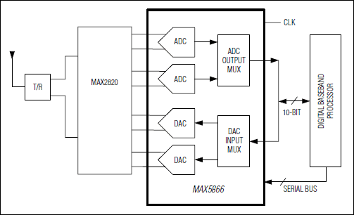
MAX5866

LAST TIME BUY

Ultra-Low-Power, High-Dynamic-Performance, 60Msps Analog Front End

Viewing:

Overview

  • Integrated Dual, 8-Bit ADCs and Dual, 10-Bit DACs
  • Ultra-Low Power
    • 80mW at fCLK = 60MHz (Rx Mode)
    • 52.5mW at fCLK = 60MHz (Tx Mode)
    • Low-Current Idle and Shutdown Modes
  • Excellent Dynamic Performance
    • 48dB SINAD at fIN = 25MHz (ADC)
    • 64.2dBc SFDR at fOUT = 6MHz (DAC)
  • Excellent Gain/Phase Match
    • ±0.2° Phase, ±0.05dB Gain at fIN = 25MHz (ADC)
  • Internal/External Reference Option
  • +2.7V to +3.3V Digital Output Level (TTL/CMOS Compatible)
  • Multiplexed Parallel Digital Input/Output for ADCs/DACs
  • Miniature 48-Pin Thin QFN Package (7mm x 7mm)
  • Evaluation Kit Available

The MAX5866 ultra-low-power, highly integrated analog front end is ideal for portable communication equipment such as handsets, PDAs, WLAN, and 3G wireless terminals. The MAX5866 integrates dual, 8-bit receive ADCs and dual, 10-bit transmit DACs while providing the highest dynamic performance at ultra-low power. The ADCs' analog I-Q input amplifiers are fully differential and accept 1VP-P full-scale signals. Typical I-Q channel phase matching is ±0.2° and amplitude matching is ±0.05dB. The ADCs feature 48dB SINAD and 70.1dBc spurious-free dynamic range (SFDR) at fIN = 25MHz and fCLK = 60MHz. The DACs' analog I-Q outputs are fully differential with ±400mV full-scale output, and 1.4V common-mode level. Typical I-Q channel phase matching is ±0.4° and gain matching is ±0.1dB. The DACs also feature dual, 10-bit resolution with 64.2dBc SFDR, at fOUT = 6MHz and fCLK = 60MHz.

The ADCs and DACs operate simultaneously or independently for frequency-division duplex (FDD) and time-division duplex (TDD) modes. A 3-wire serial interface controls power-down and transceiver modes of operation. The typical operating power is 96mW at fCLK = 60MHz with the ADCs and DACs operating simultaneously in transceiver mode. The MAX5866 features an internal 1.024V voltage reference that is stable over the entire operating power-supply range and temperature range. The MAX5866 operates on a +2.7V to +3.3V analog power supply and a +2.7V to +3.3V digital I/O power supply for logic compatibility. The quiescent current is 12mA in idle mode and 1µA in shutdown mode. The MAX5866 is specified for the extended (-40°C to +85°C) temperature range and is available in a 48-pin thin QFN package.

Applications

  • 3G Wireless Terminals
  • Fixed/Mobile Broadband Wireless Modems
  • Narrowband/Wideband CDMA Handsets and PDAs
  • VSAT Modems

MAX5866
Ultra-Low-Power, High-Dynamic-Performance, 60Msps Analog Front End
MAX5866: Typical Application Circuit
Add to myAnalog

Add product to the Products section of myAnalog (to receive notifications), to an existing project or to a new project.

Create New Project
Ask a Question

Documentation

Learn More
Add to myAnalog

Add media to the Resources section of myAnalog, to an existing project or to a new project.

Create New Project

Hardware Ecosystem

Parts Product Life Cycle Description
ADC/DAC Combo Converters 3
MAX5865 PRODUCTION Ultra-Low-Power, High-Dynamic-Performance, 40Msps Analog Front End
MAX5863 LAST TIME BUY Ultra-Low-Power, High-Dynamic Performance, 7.5Msps Analog Front End
MAX5864 PRODUCTION Ultra-Low-Power, High-Dynamic-Performance, 22Msps Analog Front End
Modal heading
Add to myAnalog

Add product to the Products section of myAnalog (to receive notifications), to an existing project or to a new project.

Create New Project

Tools & Simulations

Software Development 1


Evaluation Kits

MAX5865EVKIT

Evaluation Kit for the MAX5863, MAX5864, MAX5865, and MAX5866

Features and Benefits

  • Quick Dynamic Performance Evaluation
  • 50Ω Matched Clock Input and Analog Signal Lines
  • Single-Ended to Fully Differential Analog Input Signal Configuration
  • Differential to Single-Ended Output Signal-Conversion Circuitry
  • AC- or DC-Coupled Input Signals Configuration
  • SMA Coaxial Connectors for Clock Input, Analog Inputs, and Analog Output
  • On-Board Clock-Shaping Circuit
  • High-Speed PC Board Design
  • Fully Assembled and Tested
  • Windows-Compatible Software

Product Details

The MAX586x evaluation kit (EV kit) is a fully assembled and tested circuit board that contains all the components necessary to evaluate the performance of this family of analog front ends (AFEs’) that integrate a dual-channel analog-to-digital converter (ADC), a dual-channel digital-to- analog converter (DAC), and a 1.024V internal voltage reference. The EV kit board accepts AC- or DC-coupled, differential or single-ended analog inputs for the receive ADC and includes circuitry that converts the transmit DAC differential output signals to single-ended analog outputs. The EV kit includes circuitry that generates a clock signal from an AC sine wave input signal. The EV kit operates from a +3.0V analog power supply, +3.0V digital power supply, and ±5V bipolar power supply.

The EV kit comes with Windows® 7/10-compatible software that provides a simple graphical user interface (GUI) for exercising the programmable features of the MAX5863–MAX5866.

Windows is a registered trademark and registered service mark of Microsoft Corporation.

Applications

  • 3G Wireless Terminals and PDAs
  • Fixed/Mobile Broadband Wireless Modems
  • Narrowband/Wideband CDMA Handsets

MAX5866EVKIT

Evaluation Kit for the MAX5863, MAX5864, MAX5865, and MAX5866

Features and Benefits

  • Quick Dynamic Performance Evaluation
  • 50Ω Matched Clock Input and Analog Signal Lines
  • Single-Ended to Fully Differential Analog Input Signal Configuration
  • Differential to Single-Ended Output Signal-Conversion Circuitry
  • AC- or DC-Coupled Input Signals Configuration
  • SMA Coaxial Connectors for Clock Input, Analog Inputs, and Analog Output
  • On-Board Clock-Shaping Circuit
  • High-Speed PC Board Design
  • Fully Assembled and Tested
  • Windows-Compatible Software

Product Details

The MAX586x evaluation kit (EV kit) is a fully assembled and tested circuit board that contains all the components necessary to evaluate the performance of this family of analog front ends (AFEs’) that integrate a dual-channel analog-to-digital converter (ADC), a dual-channel digital-to- analog converter (DAC), and a 1.024V internal voltage reference. The EV kit board accepts AC- or DC-coupled, differential or single-ended analog inputs for the receive ADC and includes circuitry that converts the transmit DAC differential output signals to single-ended analog outputs. The EV kit includes circuitry that generates a clock signal from an AC sine wave input signal. The EV kit operates from a +3.0V analog power supply, +3.0V digital power supply, and ±5V bipolar power supply.

The EV kit comes with Windows® 7/10-compatible software that provides a simple graphical user interface (GUI) for exercising the programmable features of the MAX5863–MAX5866.

Windows is a registered trademark and registered service mark of Microsoft Corporation.

Applications

  • 3G Wireless Terminals and PDAs
  • Fixed/Mobile Broadband Wireless Modems
  • Narrowband/Wideband CDMA Handsets

MAX5863EVKIT

Evaluation Kit for the MAX5863, MAX5864, MAX5865, and MAX5866

Features and Benefits

  • Quick Dynamic Performance Evaluation
  • 50Ω Matched Clock Input and Analog Signal Lines
  • Single-Ended to Fully Differential Analog Input Signal Configuration
  • Differential to Single-Ended Output Signal-Conversion Circuitry
  • AC- or DC-Coupled Input Signals Configuration
  • SMA Coaxial Connectors for Clock Input, Analog Inputs, and Analog Output
  • On-Board Clock-Shaping Circuit
  • High-Speed PC Board Design
  • Fully Assembled and Tested
  • Windows-Compatible Software

Product Details

The MAX586x evaluation kit (EV kit) is a fully assembled and tested circuit board that contains all the components necessary to evaluate the performance of this family of analog front ends (AFEs’) that integrate a dual-channel analog-to-digital converter (ADC), a dual-channel digital-to- analog converter (DAC), and a 1.024V internal voltage reference. The EV kit board accepts AC- or DC-coupled, differential or single-ended analog inputs for the receive ADC and includes circuitry that converts the transmit DAC differential output signals to single-ended analog outputs. The EV kit includes circuitry that generates a clock signal from an AC sine wave input signal. The EV kit operates from a +3.0V analog power supply, +3.0V digital power supply, and ±5V bipolar power supply.

The EV kit comes with Windows® 7/10-compatible software that provides a simple graphical user interface (GUI) for exercising the programmable features of the MAX5863–MAX5866.

Windows is a registered trademark and registered service mark of Microsoft Corporation.

Applications

  • 3G Wireless Terminals and PDAs
  • Fixed/Mobile Broadband Wireless Modems
  • Narrowband/Wideband CDMA Handsets

MAX5864EVKIT

Evaluation Kit for the MAX5863, MAX5864, MAX5865, and MAX5866

Features and Benefits

  • Quick Dynamic Performance Evaluation
  • 50Ω Matched Clock Input and Analog Signal Lines
  • Single-Ended to Fully Differential Analog Input Signal Configuration
  • Differential to Single-Ended Output Signal-Conversion Circuitry
  • AC- or DC-Coupled Input Signals Configuration
  • SMA Coaxial Connectors for Clock Input, Analog Inputs, and Analog Output
  • On-Board Clock-Shaping Circuit
  • High-Speed PC Board Design
  • Fully Assembled and Tested
  • Windows-Compatible Software

Product Details

The MAX586x evaluation kit (EV kit) is a fully assembled and tested circuit board that contains all the components necessary to evaluate the performance of this family of analog front ends (AFEs’) that integrate a dual-channel analog-to-digital converter (ADC), a dual-channel digital-to- analog converter (DAC), and a 1.024V internal voltage reference. The EV kit board accepts AC- or DC-coupled, differential or single-ended analog inputs for the receive ADC and includes circuitry that converts the transmit DAC differential output signals to single-ended analog outputs. The EV kit includes circuitry that generates a clock signal from an AC sine wave input signal. The EV kit operates from a +3.0V analog power supply, +3.0V digital power supply, and ±5V bipolar power supply.

The EV kit comes with Windows® 7/10-compatible software that provides a simple graphical user interface (GUI) for exercising the programmable features of the MAX5863–MAX5866.

Windows is a registered trademark and registered service mark of Microsoft Corporation.

Applications

  • 3G Wireless Terminals and PDAs
  • Fixed/Mobile Broadband Wireless Modems
  • Narrowband/Wideband CDMA Handsets

MAX5865EVKIT
Evaluation Kit for the MAX5863, MAX5864, MAX5865, and MAX5866
MAX5866EVKIT
Evaluation Kit for the MAX5863, MAX5864, MAX5865, and MAX5866
MAX5863EVKIT
Evaluation Kit for the MAX5863, MAX5864, MAX5865, and MAX5866
MAX5864EVKIT
Evaluation Kit for the MAX5863, MAX5864, MAX5865, and MAX5866

Latest Discussions

No discussions on MAX5866 yet. Have something to say?

Start a Discussion on EngineerZone®

Recently Viewed