MAX5128

PRODUCTION

128-Tap, Nonvolatile, Linear-Taper Digital Potentiometer in 2mm x 2mm µDFN Package

Viewing:

Overview

  • Ultra-Small, 2mm x 2mm, 8-Pin µDFN Package
  • Power-On Recall of Wiper Position from Nonvolatile Memory
  • 22kΩ End-to-End Resistance
  • 128 Tap Positions
  • 5ppm/°C Ratiometric Temperature Coefficient
  • 1.5µA (max) Standby Supply Current
  • +2.7V to +5.25V Single Supply Operation
  • 80,000 Wiper Store Cycles
  • 50-Year Wiper Data Retention

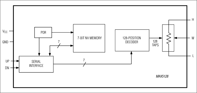
The MAX5128 nonvolatile, single, linear-taper, digital potentiometer performs the function of a mechanical potentiometer, but replaces the mechanics with a simple 2-wire digital interface. The MAX5128 performs the same function as a discrete potentiometer or variable resistor and features 128 taps and 22kΩ end-to-end resistance. The MAX5128 also features an ultra-small, 2mm x 2mm µDFN package and low 0.5µA (typ) standby supply current, making this device ideal for portable applications. The MAX5128 operates from a +2.7V to +5.25V power supply. An integrated nonvolatile memory recalls the programmed wiper position of the digital potentiometer. A simple 2-wire up/down interface programs the wiper position. The digital potentiometer provides a low 5ppm/°C ratiometric temperature coefficient and is specified over the extended -40°C to +85°C temperature range.

Applications

  • Backlight Adjustment
  • Bias Setting for Radios
  • Fiber-Module Bias Setting
  • LED Bias Adjustment
  • Portable Consumer Electronics
  • Power-Supply Modules
  • VCOM Adjustment for LCD Panels

MAX5128
128-Tap, Nonvolatile, Linear-Taper Digital Potentiometer in 2mm x 2mm µDFN Package
MAX5128: Functional Diagram
Add to myAnalog

Add product to the Products section of myAnalog (to receive notifications), to an existing project or to a new project.

Create New Project
Ask a Question

Documentation

Learn More
Add to myAnalog

Add media to the Resources section of myAnalog, to an existing project or to a new project.

Create New Project

Tools & Simulations


Evaluation Kits

MAX5128EVKIT+

Evaluation Kit/Evaluation System for the MAX5128

Features and Benefits

  • Powered and Controlled from Standard USB Interface (MAX5128EVCMAXQU+)
  • 2.7V to 5.25V Single-Supply Operation
  • Windows 98SE/2000/XP-Compatible Evaluation Software
  • Easy-to-Use Menu-Driven Software
  • Supports Pushbutton Inputs or CPU-Generated Inputs
  • Fully Assembled and Tested

Product Details

The MAX5128 evaluation kit (EV kit) is a fully assembled and tested surface-mount printed-circuit board (PCB) that evaluates the MAX5128 22kΩ, linear-taper digital potentiometer. The EV kit provides both a mechanical pushbutton-controlled interface and a microprocessor-controlled interface.

The MAX5128 evaluation system (EV system) consists of the MAX5128 EV kit and the Maxim CMAXQUSB+ command module. The EV kit includes Windows® 98SE/2000/XP-compatible software that provides a professional user interface for exercising the MAX5128's features. The program is menu driven and offers a graphical user interface (GUI) complete with control buttons and a track bar.

Order the complete EV system (MAX5128EVCMAXQU+) for comprehensive evaluation of the MAX5128 using a PC. Order just the EV kit (MAX5128EVKIT+) if the CMAXQUSB+ module has already been purchased with a previous Maxim EV system.

Applications

  • Backlight Adjustment
  • Bias Setting for Radios
  • Fiber-Module Bias Setting
  • LED Bias Adjustment
  • Portable Consumer Electronics
  • Power-Supply Modules
  • VCOM Adjustment for LCD Panels

MAX5128EVCMAXQU+

Evaluation Kit/Evaluation System for the MAX5128

Features and Benefits

  • Powered and Controlled from Standard USB Interface (MAX5128EVCMAXQU+)
  • 2.7V to 5.25V Single-Supply Operation
  • Windows 98SE/2000/XP-Compatible Evaluation Software
  • Easy-to-Use Menu-Driven Software
  • Supports Pushbutton Inputs or CPU-Generated Inputs
  • Fully Assembled and Tested

Product Details

The MAX5128 evaluation kit (EV kit) is a fully assembled and tested surface-mount printed-circuit board (PCB) that evaluates the MAX5128 22kΩ, linear-taper digital potentiometer. The EV kit provides both a mechanical pushbutton-controlled interface and a microprocessor-controlled interface.

The MAX5128 evaluation system (EV system) consists of the MAX5128 EV kit and the Maxim CMAXQUSB+ command module. The EV kit includes Windows® 98SE/2000/XP-compatible software that provides a professional user interface for exercising the MAX5128's features. The program is menu driven and offers a graphical user interface (GUI) complete with control buttons and a track bar.

Order the complete EV system (MAX5128EVCMAXQU+) for comprehensive evaluation of the MAX5128 using a PC. Order just the EV kit (MAX5128EVKIT+) if the CMAXQUSB+ module has already been purchased with a previous Maxim EV system.

Applications

  • Backlight Adjustment
  • Bias Setting for Radios
  • Fiber-Module Bias Setting
  • LED Bias Adjustment
  • Portable Consumer Electronics
  • Power-Supply Modules
  • VCOM Adjustment for LCD Panels

MAX5128EVKIT+
Evaluation Kit/Evaluation System for the MAX5128
MAX5128EVCMAXQU+
Evaluation Kit/Evaluation System for the MAX5128

Latest Discussions

No discussions on MAX5128 yet. Have something to say?

Start a Discussion on EngineerZone®

Recently Viewed