MAX5077

NOT RECOMMENDED FOR NEW DESIGNS

Push-Pull FET Driver with Integrated Oscillator and Programmable Clock Output

Viewing:

Overview

  • Dedicated Current-Fed, Push-Pull Driver Subsystem
  • Oscillator Frequency Programmable from 50kHz to 1.5MHz
  • Single +4.5V to +15V Supply Voltage Range
  • ±3A Peak Gate-Drive Current
  • 1mA Operating Current at 250kHz with No Capacitive Load
  • Selectable Synchronizing Clock Frequency for a Preceding PWM Stage
  • Thermally Enhanced 14-Pin TSSOP
  • -40°C to +125°C Operating Temperature Range

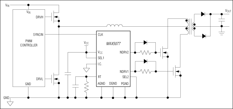
The MAX5077 is a +4.5V to +15V push-pull, current-fed topology driver subsystem with an integrated oscillator used in telecom module power supplies. The device drives two MOSFETs connected to a center-tapped transformer primary providing secondary-side, isolated, negative or positive voltages. The MAX5077 features a programmable accurate integrated oscillator with a synchronizing clock output to synchronize an external PWM regulator. A single external resistor programs the internal oscillator frequency from 50kHz to 1.5MHz.

The MAX5077 incorporates dual MOSFET drivers with ±3A peak drive currents and 50% duty cycle. The MOSFET drivers generate complementary signals to drive external ground-referenced n-channel MOSFETs.

The MAX5077 clock output frequency is programmable by logic inputs to set the clock output to 1x, 2x, or 4x the MOSFET's driver frequency.

The MAX5077 is available in a 14-pin exposed pad TSSOP package and is specified over the -40°C to +125°C operating temperature range.

Applications

  • Current-Fed Power Supplies
  • Power-Supply Building Subsystems
  • Push-Pull Driver Subsystems

MAX5077
Push-Pull FET Driver with Integrated Oscillator and Programmable Clock Output
MAX5077: Typical Operating Circuit
Add to myAnalog

Add product to the Products section of myAnalog (to receive notifications), to an existing project or to a new project.

Create New Project
Ask a Question

Documentation

Learn More
Add to myAnalog

Add media to the Resources section of myAnalog, to an existing project or to a new project.

Create New Project

Software Resources

Can't find the software or driver you need?

Request a Driver/Software

Hardware Ecosystem

Parts Product Life Cycle Description
MOSFET & Gate Drivers 1
MAX5075 PRODUCTION Push-Pull FET Driver with Integrated Oscillator and Clock Output
Modal heading
Add to myAnalog

Add product to the Products section of myAnalog (to receive notifications), to an existing project or to a new project.

Create New Project

Latest Discussions

No discussions on MAX5077 yet. Have something to say?

Start a Discussion on EngineerZone®

Recently Viewed