MAX2470

PRODUCTION

10MHz to 500MHz, VCO Buffer Amplifiers with Differential Outputs

Viewing:

Overview

  • +2.7V to +5.5V Supply Range
  • Input Frequency Range
    • High: 10MHz to 500MHz (MAX2470/2471)
    • Low: 10MHz to 200MHz (MAX2470)
  • >14dB Power Gain at 200MHz
  • 64dB Typical Reverse Isolation at 200MHz
  • Low-Distortion Output Drive
  • Ultra-Small SOT23-6 Package
  • High Input Impedance
  • Single-Ended (MAX2470) or Differential (MAX2471) Inputs

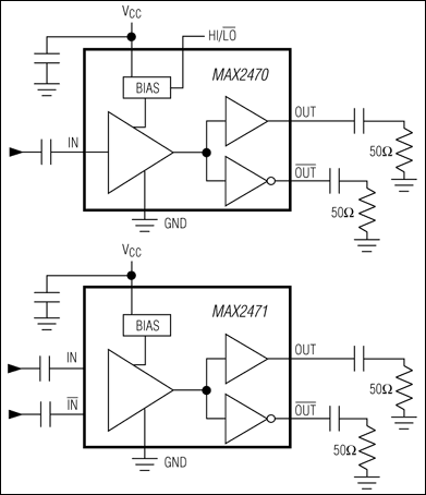
The MAX2470/MAX2471 are flexible, low-cost, high reverse-isolation buffer amplifiers for applications with discrete and module-based VCO designs. Both feature differential 50Ω outputs for driving a single differential (balanced) load or two separate single-ended (unbalanced) 50Ω loads. The MAX2470 offers a single-ended input and has two selectable frequency ranges of operation: 10MHz to 500MHz and 10MHz to 200MHz. The MAX2471 offers a differential input and operates from 10MHz to 500MHz. The MAX2470/MAX2471 also feature high input impedance for maximum flexibility, enabling them to be used with a variety of oscillator topologies. High reverse isolation combined with low supply current make them ideal for applications requiring high performance with low power.

These devices are also ideal for use as active baluns. The MAX2470 converts a single-ended input to a differential output. The MAX2471 is useful as a differential buffer stage or to convert from a differential input to two single-ended ouputs.

The MAX2470 operates from a single +2.7V to +5.5V supply. At -5dBm output power, it consumes 5.5mA in the high-frequency range and only 3.6mA in the low-frequency range. The MAX2471 operates from a +2.7V to +5.5V single supply and consumes 5.5mA. both devices are available in ultra-small SOT23-6 plastic packages, requiring minimal board space.

Applications

  • Active Baluns
  • Cellular and PCS Mobile Phones
  • General-Purpose Buffers/Amplifiers
  • ISM-Band Applications

MAX2470
10MHz to 500MHz, VCO Buffer Amplifiers with Differential Outputs
MAX2470, MAX2471: Typical Operating Circuits
Add to myAnalog

Add product to the Products section of myAnalog (to receive notifications), to an existing project or to a new project.

Create New Project
Ask a Question

Documentation

Learn More
Add to myAnalog

Add media to the Resources section of myAnalog, to an existing project or to a new project.

Create New Project

Software Resources

Can't find the software or driver you need?

Request a Driver/Software

Evaluation Kits

MAX2470EVKIT

Evaluation Kit for the MAX2470, MAX2471

Features and Benefits

  • Easy Evaluation of MAX2470/MAX2471
  • +2.7V to +5.5V Single-Supply Operation
  • On-Board Input-Frequency Range Selection (MAX2470)
  • Single-Ended (MAX2470) or Differential (MAX2471) Inputs
  • All Critical Peripheral Components Included

Product Details

The MAX2470/MAX2471 evaluation kits (EV kits) simplify the evaluation of the MAX2470/MAX2471 VCO buffer amplifiers. They enable testing of the devices' performance and require no additional support circuitry. All inputs and outputs use SMA connectors to facilitate easy connection of RF test equipment.

The MAX2470 EV kit is assembled with the MAX2470 and provides one high-impedance input (with pads to terminate to 50Ω) and a pair of matched 50Ω differential outputs. JU1 sets the logic level at the HI/LO-bar bias-control input, allowing for selection between 10MHz to 500MHz and 10MHz to 200MHz operation. The MAX2471 EV kit is assembled with the MAX2471 and provides two high-impedance inputs (with pads to terminate to 50Ω) and a pair of matched 50Ω differential outputs.

MAX2471EVKIT

Evaluation Kit for the MAX2470, MAX2471

Features and Benefits

  • Easy Evaluation of MAX2470/MAX2471
  • +2.7V to +5.5V Single-Supply Operation
  • On-Board Input-Frequency Range Selection (MAX2470)
  • Single-Ended (MAX2470) or Differential (MAX2471) Inputs
  • All Critical Peripheral Components Included

Product Details

The MAX2470/MAX2471 evaluation kits (EV kits) simplify the evaluation of the MAX2470/MAX2471 VCO buffer amplifiers. They enable testing of the devices' performance and require no additional support circuitry. All inputs and outputs use SMA connectors to facilitate easy connection of RF test equipment.

The MAX2470 EV kit is assembled with the MAX2470 and provides one high-impedance input (with pads to terminate to 50Ω) and a pair of matched 50Ω differential outputs. JU1 sets the logic level at the HI/LO-bar bias-control input, allowing for selection between 10MHz to 500MHz and 10MHz to 200MHz operation. The MAX2471 EV kit is assembled with the MAX2471 and provides two high-impedance inputs (with pads to terminate to 50Ω) and a pair of matched 50Ω differential outputs.

MAX2470EVKIT
Evaluation Kit for the MAX2470, MAX2471
MAX2471EVKIT
Evaluation Kit for the MAX2470, MAX2471

Latest Discussions

Recently Viewed