MAX1875

PRODUCTION

Dual 180° Out-of-Phase PWM Step-Down Controllers with POR

Viewing:

Overview

  • Two Independent Output Voltages
  • 180° Out-of-Phase Operation
  • 90° Out-of-Phase Operation (Using Two MAX1875/MAX1876s)
  • Foldback Current Limit
  • 4.75V to 23V Input Supply Range
  • 0 to 18V Output-Voltage Range (Up to 10A)
  • >90% Efficiency
  • Fixed-Frequency Pulse-Width Modulation (PWM) Operation
  • Adjustable 100kHz to 600kHz Switching Frequency
  • External SYNC Input
  • Clock Output for Master/Slave Synchronization
  • Soft-Start and Soft-Stop
  • Active-low RST Output with 140ms Minimum Delay (MAX1876)
  • Lossless Current Limit (No Sense Resistor)
  • The MAX1875/MAX1876 dual, synchronized, step-down controller generates two outputs from input supplies ranging from 4.75V to 23V. Each output is adjustable from sub-1V to 18V and supports loads of 10A or higher. Input voltage ripple and total RMS input ripple current are reduced by synchronized 180° out-of-phase operation.

    The switching frequency is adjustable from 100kHz to 600kHz with an external resistor. Alternatively, the controller can be synchronized to an external clock generated to another MAX1875/MAX1876 or a system clock. One MAX1875/MAX1876 can be set to generate an in-phase, or 90° out-of-phase, clock signal for synchronization with additional controllers. This allows two controllers to operate either as an interleaved two- or four-phase system with each output shifted by 90°. These devices also feature soft-start and soft-stop.

    The MAX1875/MAX1876 eliminate the need for current-sense resistors by utilizing the low-side MOSFET's on-resistance as a current-sense element. This protects the DC-DC components from damage during output- overload conditions or when output short-circuit faults without requiring a current-sense resistor. Adjustable foldback current limit reduces power dissipation during short-circuit conditions. The MAX1876 includes a power-on reset output to signal the system when both outputs reach regulation.

    The MAX1875/MAX1876 are available in a 24-pin QSOP package. An evaluation kit is available to speed designs.

    Applications

    • Broadband Routers
    • DSP, ASIC, and FPGA Power Supplies
    • Network-Power Supplies
    • Servers
    • Set-Top Boxes
    • Telecom Power Supplies

    MAX1875
    Dual 180° Out-of-Phase PWM Step-Down Controllers with POR
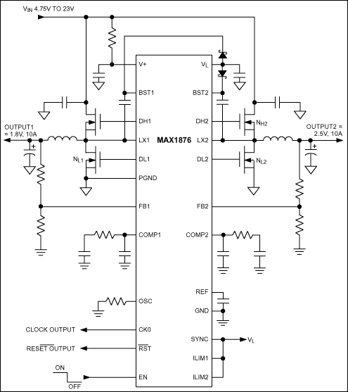
    MAX1875, MAX1876: Typical Operating Circuit
    Add to myAnalog

    Add product to the Products section of myAnalog (to receive notifications), to an existing project or to a new project.

    Create New Project
    Ask a Question

    Documentation

    Learn More
    Add to myAnalog

    Add media to the Resources section of myAnalog, to an existing project or to a new project.

    Create New Project

    Software Resources

    Can't find the software or driver you need?

    Request a Driver/Software

    Latest Discussions

    No discussions on MAX1875 yet. Have something to say?

    Start a Discussion on EngineerZone®

    Recently Viewed