MAX1734

PRODUCTION

Low-Voltage, Step-Down DC-DC Converters in SOT23

High-Efficiency DC-DC Solution for Low-Voltage Logic Supplies

Viewing:

Overview

  • 250mA Guaranteed Output Current
  • Synchronous Rectifier for Over 90% Efficiency
  • Tiny 5-Pin SOT23 Package
  • 40µA Quiescent Supply Current
  • 0.01µA Logic-Controlled Shutdown
  • Up to 1.2MHz Switching Frequency
  • Fixed 1.8V or 1.5V Outputs (MAX1734)
  • Adjustable Output Voltage (MAX1733)
  • ±1.5% Initial Accuracy
  • 2.7V to 5.5V Input Range
  • Soft-Start Limits Startup Current

The MAX1733/MAX1734 step-down DC-DC converters deliver over 250mA to outputs as low as 1.25V. These converters use a unique proprietary current-limited control scheme that achieves over 90% efficiency. These devices maintain extremely low quiescent supply current (40µA), and their high 1.2MHz (max) operating frequency permits small, low-cost external components. This combination of features makes the MAX1733/ MAX1734 excellent high-efficiency alternatives to linear regulators in space-constrained applications.

Internal synchronous rectification greatly improves efficiency and eliminates the external Schottky diode required in conventional step-down converters. Both devices also include internal digital soft-start to limit input current upon startup and reduce input capacitor requirements.

The MAX1733 provides an adjustable output voltage (1.25V to 2.0V). The MAX1734 provides factory-preset output voltages (see Selector Guide). Both are available in space-saving 5-pin SOT23 packages.

Applications

  • Cell Phones
  • Computers: Desktop, Workstation, Server
  • Consumer Audio
  • Digital Still Cameras
  • Global Positioning Systems (GPS)
  • Palmtop Computers
  • POS Terminals
  • Wireless Data
  • Wireless Local Area Networks (WLANs)

MAX1734
Low-Voltage, Step-Down DC-DC Converters in SOT23
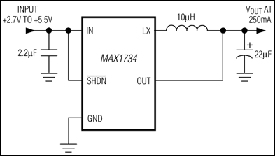
MAX1733, MAX1734: Typical Operating Circuit
Add to myAnalog

Add product to the Products section of myAnalog (to receive notifications), to an existing project or to a new project.

Create New Project
Ask a Question

Documentation

Learn More
Add to myAnalog

Add media to the Resources section of myAnalog, to an existing project or to a new project.

Create New Project

Software Resources

Can't find the software or driver you need?

Request a Driver/Software

Hardware Ecosystem

Parts Product Life Cycle Description
Switching Regulators & Controllers 1
MAX1692 PRODUCTION Low-Noise, 5.5V Input, PWM Step-Down Regulator
Modal heading
Add to myAnalog

Add product to the Products section of myAnalog (to receive notifications), to an existing project or to a new project.

Create New Project

Evaluation Kits

MAX1734EVKIT

Evaluation Kit for the MAX1733, MAX1734

Features and Benefits

  • +2.7V to +5.5V Battery Input Voltage
  • +1.8V Output Voltage
  • 250mA Output Current
  • Efficiency >85% from 2mA to 250mA
  • Internal P-Channel Switch and Synchronous Rectifier
  • 0.01µA (typ) IC Shutdown Current
  • 50µA Quiescent Supply Current
  • Up to 1.2MHz (max) Switching Frequency
  • Surface-Mount Components
  • Fully Assembled and Tested
  • Product Details

    The MAX1734 evaluation kit (EV kit) is a fully assembled and tested surface-mount PC board that contains a switching-regulator circuit configured for a +1.8V output. At up to 250mA, it accepts inputs from a +2.7VDC to +5.5VDC source or a 1-cell lithium-ion (Li+) or 2- to 3-cell battery.

    The MAX1734 features an internal P-channel MOSFET switch, a synchronous rectifier, logic-controlled shutdown, and digital soft-start to limit startup current. The MAX1734 EV kit provides low quiescent current and efficiency up to 93%, providing maximum battery life. High-frequency operation up to 1.2MHz with a maximum duty cycle of 100% allows the use of tiny surface-mount components. The EV kit can also evaluate the MAX1733 after modifications.

    Applications

    • Cell Phones
    • Computers: Desktop, Workstation, Server
    • Consumer Audio
    • Digital Still Cameras
    • Global Positioning Systems (GPS)
    • Palmtop Computers
    • POS Terminals
    • Wireless Data
    • Wireless Local Area Networks (WLANs)

    MAX1734EVKIT
    Evaluation Kit for the MAX1733, MAX1734

    Latest Discussions

    No discussions on MAX1734 yet. Have something to say?

    Start a Discussion on EngineerZone®

    Recently Viewed