MAX1727

GSM Cellular/PCN Handset RF Power-Management IC

Viewing:

Overview

  • +3.1V to +5.5V Input Range
  • One 2.90V, 100mA Low IQ LDO
  • One 2.75V, 50mA Low IQ LDO
  • One 2.75V, 20mA Low IQ LDO
  • Low-Noise LDOs
    • <90µVRMS from 10Hz to 100kHz
    • >80dB Crosstalk Isolation at 10kHz
    • >70dB PSRR at 1kHz
  • ±5% Accuracy Over Line, Load, and Temperature
  • Three 2.5ohm Switched Outputs
  • Current and Thermal Limit
  • Two Undedicated Op Amps Rail-to-Rail CMR Inputs and Outputs
    • >120dB Channel Separation
    • >85dB PSRR at 1kHz
  • 10µA (max) Shutdown Current

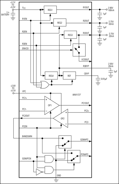
The MAX1727 is a radio frequency (RF) power-management IC intended for Global Satellite Mobile (GSM) communication cellular and personal cellular network (PCN) handsets using a single lithium-ion (Li+) cell battery with inputs from +3.1V to +5.5V. The IC contains four low-noise, low-dropout (LDO) linear regulators to provide all the supply voltage requirements for the RF portion of the handset, and two high-speed, wide-bandwidth op amps for the power amplifier (PA) power control loop.

Each LDO has its own individual on/off control to maximize design flexibility. All LDOs are internally trimmed to a fixed output voltage and are optimized for low noise and high crosstalk isolation. LDO1 (R1OUT) is rated for 100µA and is optimized for lowest quiescent current. It is intended to power the transmitter, receiver, and synthesizer. LDO2 (R2OUT) is rated for 50mA. It is intended to power the TCXO, GSM, and PCN high-power voltage-controlled oscillators (VCOs). LDO3 (R3OUT) is rated for 20mA and is optimized to suppress line transients. It is intended to power the UHF offset VCO. LDO3 has an auxiliary 2.5Ω switched output to allow the VCO to be powered up with precise timing. LDO4 (R3BYP) is rated for 20mA. It is intended to power this IC's reference and LDO3 for superior line rejection. LDO4 and the reference will be powered on if any of the R1EN, R2EN, and R3EN enable inputs are logic high.

The op amps have wide bandwidth, high DC accuracy, high slew rate, and Rail-to-Rail inputs and outputs. The op amps can sink and source 3mA, and include two 2.5ohm switched outputs. The op amps and switched outputs may be used independently or may be configured to provide optimized power for a PA control loop.

Applications

  • 3-Cell NiMH, NiCD, or Alkaline Systems
  • GSM Cellular or PCN Handsets
  • Single-Cell Li+ Systems

MAX1727
GSM Cellular/PCN Handset RF Power-Management IC
MAX1727: Typical Application Circuit
Add to myAnalog

Add product to the Products section of myAnalog (to receive notifications), to an existing project or to a new project.

Create New Project
Ask a Question

Documentation

Learn More
Add to myAnalog

Add media to the Resources section of myAnalog, to an existing project or to a new project.

Create New Project

Software Resources

Can't find the software or driver you need?

Request a Driver/Software

Latest Discussions

No discussions on MAX1727 yet. Have something to say?

Start a Discussion on EngineerZone®

Recently Viewed