MAX17122

Obsolete

Step-Up, Step-Down Regulator, Gate-On Charge Pump, and Boost-Buck Regulator for TV TFT LCD Display

High-Performance Integrated IC for LCD HDTV Power Supply Provides High Efficiency and Minimizes External Components

Viewing:

Overview

  • 8V to 16.5V Operating Range
  • 750kHz Switching Frequency
  • 22V Internal-Switch High-Performance Step-Up Regulator
    • Fast Load-Transient Response
    • Current-Mode PWM Operation
    • 100mΩ, 3.9A nMOS Switch
    • Capacitor-Adjustable Soft-Start
    • High-Voltage Stress Function
    • Drives External pMOS Shutdown Switch
  • 22V Internal-Switch Step-Down Regulator
    • Preset 1% Accurate 3.3V Output Voltage or Adjustable Output (Dual Mode™)
    • Current-Mode PWM Operation
    • 200mΩ, 2.5A nMOS Switch
    • Capacitor-Adjustable Power-Good Output
  • 36V Internal-Switch Boost-Buck Regulator
    • Temperature-Compensated Output
    • Programmable Fixed Levels with Temperature-Controlled Transition
    • Current-Mode PWM Operation
    • 200mΩ, 1.8A pMOS Switch
  • Positive Charge-Pump Linear Regulator Controller
    • Adjustable 1% Accurate Output Voltage
    • Uses External pnp Transistor
    • Regulates Switching-Node-Driven Charge-Pump Doubler
    • Power-Good Output
  • Negative Linear Regulator Controller
    • Adjustable 1.5% Accurate Output Voltage
    • Uses External npn Transistor
  • Soft-Start for All Outputs
  • Adjustable Power-Up Sequence
  • Timed-Output Fault Protection with Restart for All Outputs
  • Latched Thermal-Shutdown Protection
  • 40-Pin, 6mm x 6mm Thin QFN Package

The MAX17122 multiple-output power-supply IC generates all the supply rails for thin-film transistor (TFT) liquid-crystal display (LCD) TV panels. It can operate from 8V to 16.5V input voltages and is optimized for LCD TV panel applications running directly from 12V regulated supplies. It includes a 22V internal-switch step-down regulator for digital logic, a 22V internal switch step-up regulator to power the TFT source drivers, and a temperature-compensated 36V internal-switch boost-buck regulator that produces a negative output that can vary according to the temperature sensed by an external NTC thermistor. All three of these regulators feature high-efficiency and fixed-frequency operation. High-frequency operation allows the use of small inductors and capacitors, resulting in a compact solution.

The MAX17122 includes a positive charge-pump linear regulator controller that uses an external pnp bipolar junction transistor (BJT) to typically form a regulated charge-pump doubler to supply the LCD positive gate-driver supply voltage. A negative gate-driver supply is derived linearly between the boost-buck regulator's output and ground, using an external npn BJT connected to ground and a small bypass capacitor.

Other features include an external-capacitor-timed, open-drain, power-good output that monitors the step-down regulator's feedback and a simple untimed output that monitors the positive charge-pump linear regulator's feedback. A high-voltage stress function is available for the step-up regulator output. The GATE output directly drives an external p-channel MOSFET to provide True Shutdown™ of the step-up output.

The MAX17122 is available in a 6mm x 6mm, 40-pin thin QFN lead-free package and operates over the -40°C to +85°C temperature range.

Applications

  • LCD TV Panels

MAX17122
Step-Up, Step-Down Regulator, Gate-On Charge Pump, and Boost-Buck Regulator for TV TFT LCD Display
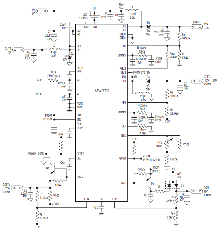
MAX17122: Typical Operating Circuit
Add to myAnalog

Add product to the Products section of myAnalog (to receive notifications), to an existing project or to a new project.

Create New Project
Ask a Question

Documentation

Learn More
Add to myAnalog

Add media to the Resources section of myAnalog, to an existing project or to a new project.

Create New Project

Software Resources

Can't find the software or driver you need?

Request a Driver/Software

Latest Discussions

No discussions on MAX17122 yet. Have something to say?

Start a Discussion on EngineerZone®

Recently Viewed