MAX17105

PRODUCTION

8-String WLED Driver with Integrated Step-Up Regulator and SMBus/PWM Dimming Capability

WLED Driver for Notebook Integrates Boost Switch for Cost and Space Savings

Viewing:

Overview

  • 6V to 28V Input Supply Voltage
  • Up to Eight Parallel-String Multiple Series Connected LEDs
  • 500kHz-to-2MHz Adjustable Switching Frequency
  • 0.15Ω Internal HV Power MOSFET (45V max)
  • Low-String Feedback Voltage: 500mV at 20mA LED current
  • Full-Scale LED Current Adjustable from 0mA to 30mA
  • ±2% Current Regulation Accuracy Between Strings
  • 100:1 Dimming Ratio at 25kHz Direct PWM Frequency
  • 100Hz to 30kHz PWMI Input Range for DPWM Mode and 10kHz ±5% for SMBus Mode
  • 100Hz to 5kHz Adjustable DPWM Frequency
  • Full-Range Dimming with 8-Bit Resolution
  • Open and Short LED Protection
  • Output Overvoltage Protection
  • Thermal Shutdown
  • FAULT Output to Drive p-Channel MOSFET
  • Small 24-Pin, 4mm x 4mm, Thin QFN Package

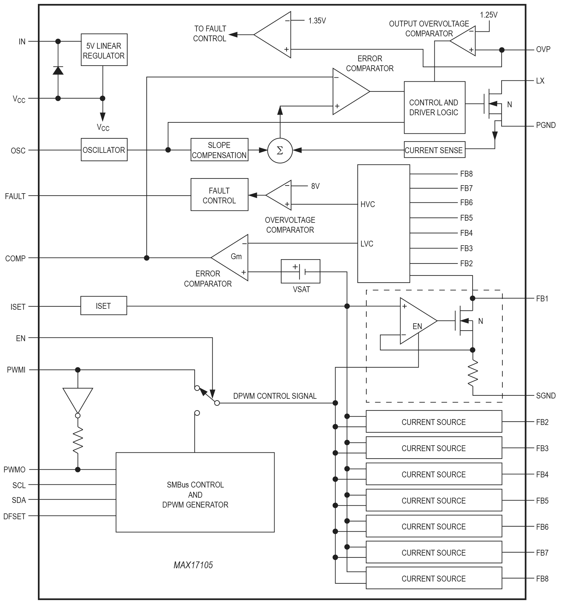
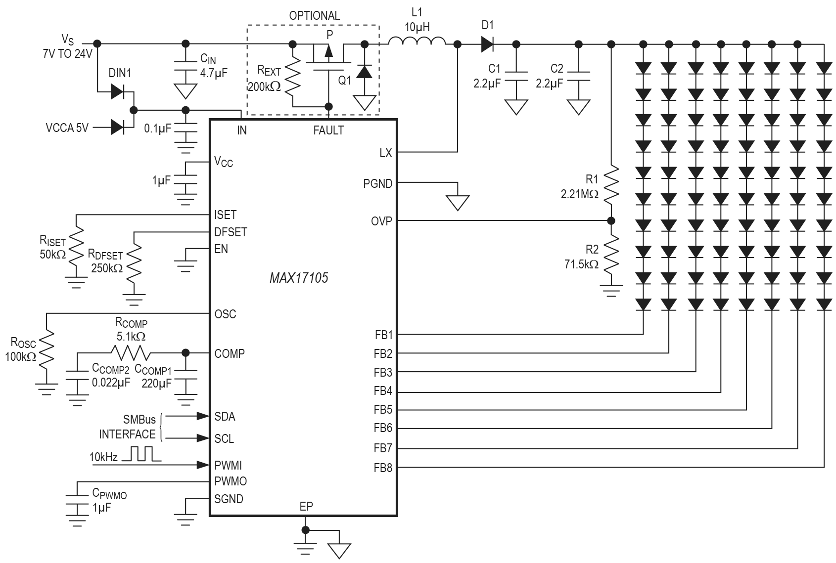
The MAX17105 is a high-efficiency driver for white-light-emitting diodes (WLEDs). It is designed for large liquid-crystal displays (LCDs) that employ an array of LEDs as the light source. An internal switch-current mode step-up controller drives the LED array, which can be configured for up to 8 strings in parallel and 10 LEDs per string. Each string is terminated with ballast that achieves ±2% current regulation accuracy, ensuring even LED brightness. The MAX17105 has a wide input voltage range from 6V to 28V, and provides adjustable 0 to 30mA full-scale LED current.

The MAX17105 can internally generate a digitally adjusted pulse-width modulation (DPWM) signal for accurate WLED dimming control. The DPWM frequency is resistor programmable, while DPWM duty cycle is controlled directly from an external PWM signal or through a control word through the MAX17105's SMBus™ interface. This DPWM control provides a dimming range with 8-bit resolution and supports Intel display power-saving technology (DPST) to maximize battery life. The MAX17105 also has direct PWM control mode, in which the PWMI directly controls the LED current turn on/off and the SMBus interface is disabled.

The MAX17105 has multiple features to protect the controller from fault conditions. Separate feedback loops limit the output voltage under any circumstance, ensuring safe operation. Once an open string is detected, the string is disabled while other strings operate normally. The MAX17105 also features short LED detection. The shorted strings are also disabled. The controller features cycle-by-cycle current limit to provide constant operation and soft-start capability. If the MAX17105 is in current-limit condition, the step-up regulator is latched off after an internal timer expires. A thermal-shutdown circuit provides another level of protection. When the input over-current-limit fault, thermal shutdown, or output-voltage short condition happens, the input p-channel MOSFET is turned off and the step-up regulator output is isolated from the input supply.

The MAX17105 is available in a thermally enhanced, 24-pin, 4mm x 4mm, thin QFN package with exposed pad.

Applications

  • Handy Terminals
  • Notebook, Subnotebook, and Tablet Computer Displays

MAX17105
8-String WLED Driver with Integrated Step-Up Regulator and SMBus/PWM Dimming Capability
MAX17105 Functional Diagram MAX17105 Circuit Diagram MAX17105 Pin Configuration
Add to myAnalog

Add product to the Products section of myAnalog (to receive notifications), to an existing project or to a new project.

Create New Project
Ask a Question

Documentation

Learn More
Add to myAnalog

Add media to the Resources section of myAnalog, to an existing project or to a new project.

Create New Project

Software Resources

Can't find the software or driver you need?

Request a Driver/Software

Latest Discussions

No discussions on MAX17105 yet. Have something to say?

Start a Discussion on EngineerZone®

Recently Viewed