MAX17102

Obsolete

Internal-Switch Boost Regulator with Scan Driver, Op Amp, LDO, and VCOM Calibrator

Integrated PMIC Provides Small, Low-Cost Solution for GIP LCD Panels

Viewing:

Overview

  • 2.5V to 6V IN Supply Voltage Range
  • 1.2MHz Current-Mode Step-Up Regulator
    • Fast-Transient Response
    • High-Accuracy Reference (1.5%)
    • Integrated 20V, 3.5A, 120mΩ MOSFET
    • High Efficiency (> 85%)
    • Adjustable Soft-Start
    • Adjustable Constant Switching Frequency
  • High-Current 18V Output Buffer
    • 150mA (typ) Output Short-Circuit Current
    • 45V/µs Slew Rate
    • 20MHz, -3dB Bandwidth
    • Rail-to-Rail Inputs and Outputs
  • High-Voltage Scan Drivers
    • +35V to -10V Outputs
  • Programmable VCOM Calibrator
    • 7-Bit Adjustable Current-Sink Output
    • Serial Interface
    • Nonvolatile Adjustment Memory
  • VCOM Output Temperature Compensation
    • Programmable Compensation Slope
    • Programmable Offset
    • Programmable Compensation Starting Point
  • Thermal-Overload Protection
  • 48-Pin, 7mm x 7mm, Thin QFN Package

The MAX17102 includes a high-performance step-up regulator with integrated switch, a multichannel high-voltage level-shifting scan driver with a dedicated discharge channel, and an op amp for VCOM with integrated programmable VCOM calibrator. The VCOM calibrator also features temperature-compensation. The VCOM output can be adjusted by an external temperature-sensing element. The device is optimized for thin-film transistor (TFT) liquid-crystal display (LCD) applications.

The step-up DC-DC converter provides the regulated supply voltage for the panel source driver ICs. The converter is a 450kHz to 1.2MHz frequency-adjustable current-mode regulator with an integrated 20V n-channel power MOSFET. The high switching frequency allows the use of ultra-small inductors and ceramic capacitors. The current-mode control architecture provides fast-transient response to pulsed loads. The step-up regulator features adjustable soft-start and cycle-by-cycle current limit.

The high-voltage level-shifting scan driver is designed to drive the TFT panel gate logic. It has eight outputs that can swing from +35V to -10V and swiftly drive capacitive loads.

The op amp features high output short-circuit current (150mA typ), fast slew rate (45V/µs), and wide bandwidth (20MHz). Its rail-to-rail inputs and outputs maximize application flexibility.

The programmable VCOM calibrator adjusts VCOM level through its serial interface. Nonvolatile memory is used to store the desired VCOM voltage level.

The MAX17102 is available in a 48-pin, 7mm x 7mm, thin QFN package with a maximum thickness of 0.8mm for thin LCD panels.

Applications

  • LCD Monitor Panels

MAX17102
Internal-Switch Boost Regulator with Scan Driver, Op Amp, LDO, and VCOM Calibrator
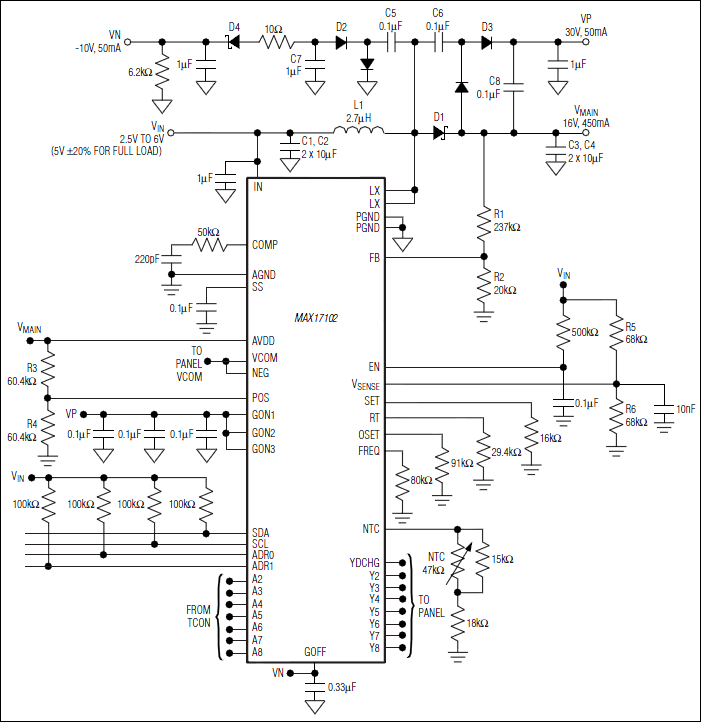
MAX17102: Typical Operating Circuit
Add to myAnalog

Add product to the Products section of myAnalog (to receive notifications), to an existing project or to a new project.

Create New Project
Ask a Question

Documentation

Learn More
Add to myAnalog

Add media to the Resources section of myAnalog, to an existing project or to a new project.

Create New Project

Software Resources

Can't find the software or driver you need?

Request a Driver/Software

Latest Discussions

No discussions on MAX17102 yet. Have something to say?

Start a Discussion on EngineerZone®

Recently Viewed