MAX17061

NOT RECOMMENDED FOR NEW DESIGNS

8-String White LED Driver with SMBus for LCD Panel Applications

High-Efficiency White-LED Driver for Multiple Series-Connected LEDs Enables Independent Regulation of Each String

Viewing:

Overview

  • Accurate Dimming Control Using SMBus, PWM Interface
  • Dimming Range with 8-Bit Resolution
  • Adjustable DPWM Frequency with 1.5% Accuracy
  • Up to Eight Parallel Strings Multiple Series-Connected LEDs
  • ±1.5% Current Regulation Accuracy Between Strings
  • Low String Feedback Voltage: 625mV at 25mA LED Current
  • Full-Scale LED Current Adjustable from 15mA to 30mA, or Preset 25mA
  • Open and Short LED Protections
  • Output Overvoltage Protection
  • 0.15Ω Internal HV Power MOSFET (45V max)
  • Wide Input-Voltage Range from 4.5V to 26V
  • 500kHz/750kHz/1MHz Selectable Switching Frequency
  • Small 28-Pin, 4mm x 4mm, Thin QFN package

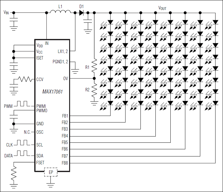
The MAX17061 is a high-efficiency driver for white light-emitting diodes (LEDs). It is designed for large liquid-crystal displays (LCDs) that employ an array of LEDs as the light source. An internal switch current-mode step-up controller drives the LED array, which can be configured for up to eight strings in parallel and 10 LEDs per string. Each string is terminated with ballast that achieves ±1.5% current-regulation accuracy between strings, ensuring even LED brightness. The MAX17061 has a wide inputvoltage range from 4.5V to 26V, and provides a fixed 25mA or adjustable 15mA to 30mA full-scale LED current.

The MAX17061 internally generates a DPWM signal for accurate WLED dimming control. The DPWM frequency is resistor programmable, while DPWM duty cycle is controlled directly from an external PWM signal or through a control word through the MAX17061's SMBus™ interface. This DPWM control provides a dimming range with 8-bit resolution and supports Intel display-power-saving technology (DPST) to maximize battery life.

The MAX17061 has multiple features to protect the controller from fault conditions. Separate feedback loops limit the output voltage under any circumstance, ensuring safe operation. Once an open string is detected, the string is disabled while other strings operate normally. The MAX17061 also features short LED detection. The shorted strings are also disabled after a 2ms fault blanking interval. The controller features cycle-bycycle current limit to provide stable operation and soft-start capability. If the MAX17061 is in current-limit condition, the step-up converter is latched off after an internal timer expires. A thermal-shutdown circuit provides another level of protection.

The MAX17061's step-up controller features an internal 150mΩ (typ), 45V (max) power MOSFET with local current-sense amplifier for accurate cycle-by-cycle current limit. This architecture greatly simplifies the external circuitry and saves PCB space. Low-feedback voltage at each LED string 625mV (typ) at 25mA LED current helps reduce power loss and improve efficiency. The MAX17061 features selectable switching frequency (500kHz, 750kHz, or 1MHz), which enables a wide variety of applications that can trade off component size for operating frequency.

The MAX17061 is available in a thermally enhanced 28-pin, 4mm x 4mm Thin QFN package.

Applications

  • Handy Terminals
  • Notebook, Subnotebook, and Tablet Computer Displays

MAX17061
8-String White LED Driver with SMBus for LCD Panel Applications
MAX17061: Simplified Operating Circuit
Add to myAnalog

Add product to the Products section of myAnalog (to receive notifications), to an existing project or to a new project.

Create New Project
Ask a Question

Documentation

Learn More
Add to myAnalog

Add media to the Resources section of myAnalog, to an existing project or to a new project.

Create New Project

Software Resources

Can't find the software or driver you need?

Request a Driver/Software

Latest Discussions

No discussions on MAX17061 yet. Have something to say?

Start a Discussion on EngineerZone®

Recently Viewed