MAX1652

Obsolete

High-Efficiency, PWM, Step-Down DC-DC Controllers in 16-Pin QSOP

10A DSP/CPU Core Supply with Secondary Outputs in Space-Saving QSOP Package

Viewing:

Overview

  • 96% Efficiency
  • Small, 16-Pin QSOP Package (half the size of a 16-pin narrow SO)
  • Pin-Compatible with MAX797 (MAX1653/MAX1655)
  • Output Voltage Down to 1V (MAX1655)
  • 4.5V to 30V Input Range
  • 99% Duty Cycle for Lower Dropout
  • 170µA Quiescent Supply Current
  • 3µA Logic-Controlled Shutdown
  • Dual, N-Channel, Synchronous-Rectified Control
  • Fixed 150kHz/300kHz PWM Switching, or Synchronized from 190kHz to 340kHz
  • Programmable Soft Start
  • Low-Cost Secondary Outputs (MAX1652/MAX1654)
  • Synchronous rectifier, secondary output regulation, high efficiency over full IOUT range

The MAX1652-MAX1655 are high-efficiency, pulse-width-modulated (PWM), step-down DC-DC controllers in small QSOP packages. The MAX1653/MAX1655 also come in 16-pin narrow SO packages that are pin-compatible upgrades to the popular MAX797. Improvements include higher duty-cycle operation for better dropout, lower quiescent supply currents for better light-load efficiency, and an output voltage down to 1V (MAX1655).

The MAX1652-MAX1655 achieve up to 96% efficiency and deliver up to 10A using a unique Idle Mode™ synchronous-rectified PWM control scheme. These devices automatically switch between PWM operation at heavy loads and pulse-frequency-modulated (PFM) operation at light loads to optimize efficiency over the entire output current range. The MAX1653/MAX1655 also feature logic-controlled, forced PWM operation for noise-sensitive applications.

All devices operate with a selectable 150kHz/300kHz switching frequency, which can also be synchronized to an external clock signal. Both external power switches are inexpensive N-channel MOSFETs, which provide low resistance while saving space and reducing cost.

The MAX1652 and MAX1654 have an additional feedback pin that permits regulation of a low-cost second output tapped from a transformer winding. The MAX1652 provides an additional positive output. The MAX1654 provides an additional negative output.

The MAX1652-MAX1655 have a 4.5V to 30V input voltage range. The MAX1652/MAX1653/MAX1654's output range is 2.5V to 5.5V while the MAX1655's output range extends down to 1V. An evaluation kit (MAX1653EVKit) is available to speed designs.

Applications

  • Cell Phones
  • Distributed Power
  • Handheld Computers
  • Handy Terminals
  • Mobile Communications
  • Notebook Computers
  • PDAs

MAX1652
High-Efficiency, PWM, Step-Down DC-DC Controllers in 16-Pin QSOP
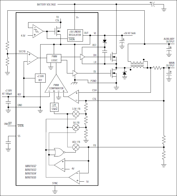
MAX1652, MAX1653, MAX1654, MAX1655: Functional Diagram
Add to myAnalog

Add product to the Products section of myAnalog (to receive notifications), to an existing project or to a new project.

Create New Project
Ask a Question

Documentation

Learn More
Add to myAnalog

Add media to the Resources section of myAnalog, to an existing project or to a new project.

Create New Project

Software Resources

Can't find the software or driver you need?

Request a Driver/Software

Evaluation Kits

MAX1653EVKIT

Evaluation Kit for the MAX1653, MAX1655

Features and Benefits

  • +4.5V to +28V Input Voltage Range
  • Selectable +3.3V or +5V Output Voltage
  • +2.5V to +5.5V Adjustable Output (MAX1653)
  • +1.0V to +5.5V Adjustable Output (MAX1655)
  • 2A Output Current
  • 3µA IC Shutdown Current
  • 300kHz Switching Frequency
  • Surface-Mount Construction
  • Fully Assembled and Tested

Product Details

The MAX1653 evaluation kit (EV kit) provides a +3.3V output voltage from a +4.5V to +28V input. It delivers up to 2A output current with greater than 95% efficiency, operates at 300kHz switching frequency, and has superior line- and load-transient response.

This EV kit can be used to evaluate other output voltages in the +2.5V to +5.5V range by changing feedback resistors R2 and R3. It can also be used to evaluate the MAX1655, which has a +1.0V to +5.5V output voltage range.

Applications

  • Cell Phones
  • Distributed Power
  • Handheld Computers
  • Handy Terminals
  • Mobile Communications
  • Notebook Computers
  • PDAs

MAX1653EVKIT
Evaluation Kit for the MAX1653, MAX1655

Latest Discussions

No discussions on MAX1652 yet. Have something to say?

Start a Discussion on EngineerZone®

Recently Viewed