MAX1365

Obsolete

Stand-Alone, 4.5-/3.5-Digit Panel Meters with 4–20mA Output

Viewing:

Overview

  • Stand-Alone, Digital Panel Meter
    20-Bit Sigma-Delta ADC
        4.5-Digit Resolution (±19,999 Count, MAX1365)
        3.5-Digit Resolution (±1999 Count, MAX1367)
    No Integrating/Autozeroing Capacitors
    100MΩ Input Impedance
    ±200mV or ±2.000V Input Range
  • LED Display
    Common-Cathode 7-Segment LED Driver
    Programmable LED Current (0 to 20mA)
    2.5Hz Update Rate
  • Output DAC and Current Driver
    ±15-Bit DAC with 14-Bit Linear V/I Converter
    Selectable 0 to 16mA or 4–20mA Current Output
    Unipolar/Bipolar Modes
    ±50µA Zero Scale, ±40ppmFS/°C (typ)
    ±0.5% Gain Error, ±25ppmFS/°C (typ)
    Separate 7V to 30V Supply for Current-Loop
        Output
  • 2.7V to 5.25V ADC/DAC Supply
  • 4.75V to 5.25V V/I Converter Supply
  • Internal 2.048V Reference or External Reference
  • 48-Pin, 7mm x 7mm TQFP Package
  • The MAX1365/MAX1367 low-power, 4.5- and 3.5-digit, panel meters feature an integrated sigma-delta analog-to-digital converter (ADC), LED display drivers, voltage digital-to-analog converter (DAC), and a 4–20mA (or 0 to 16mA) current driver.

    The MAX1365/MAX1367's analog input voltage range is programmable to either ±2V or ±200mV. The MAX1367 drives a 3.5-digit (±1999 count) display and the MAX1365 drives a 4.5-digit (±19,999 count) display. The ADC output directly drives the LED display as well as the voltage DAC, which in turn drives the 4–20mA (or 0 to 16mA) current-loop output.

    In normal operation, the 0 to 16mA/4–20mA current-loop output follows the ±2V or ±200mV analog input to drive remote panel-meter displays, data loggers, and other industrial controllers. For added flexibility, the MAX1365/MAX1367 allow direct access to the DAC output and the V/I converter input.

    The sigma-delta ADC does not require external precision integrating capacitors, autozero capacitors, crystal oscillators, charge pumps, or other circuitry commonly required in dual-slope ADC panel-meter circuits. On-chip analog input and reference buffers allow direct interface with high-impedance signal sources. Excellent common-mode rejection and digital filtering provide greater than 100dB rejection of simultaneous 50Hz and 60Hz line noise. Other features include data hold, peak detection, and overrange/underrange detection.

    The MAX1365/MAX1367 require a 2.7V to 5.25V supply, a 4.75V to 5.75V V/I supply, and a 7V to 30V loop supply. They are available in a space-saving (7mm x 7mm), 48-pin TQFP package and operate over the extended (-40°C to +85°C) temperature range.

    Applications

    • Automated Test Equipment (ATE)
    • Data Acquisition Systems
    • Digital Multimeters
    • Digital Panel Meters
    • Digital Voltmeters
    • Industrial Process Control

    MAX1365
    Stand-Alone, 4.5-/3.5-Digit Panel Meters with 4–20mA Output
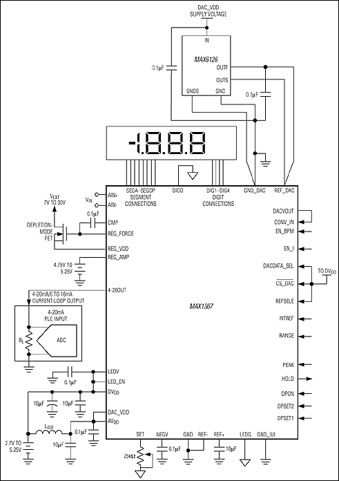
    MAX1365, MAX1367: Typical Operating Circuit
    Add to myAnalog

    Add product to the Products section of myAnalog (to receive notifications), to an existing project or to a new project.

    Create New Project
    Ask a Question

    Documentation

    Learn More
    Add to myAnalog

    Add media to the Resources section of myAnalog, to an existing project or to a new project.

    Create New Project

    Hardware Ecosystem

    Parts Product Life Cycle Description
    ADC/DAC Combo Converters 2
    MAX1366 Obsolete Microcontroller-Interface, 4.5-/3.5-Digit Panel Meters with 4-20mA Output
    MAX1368 Obsolete Microcontroller-Interface, 4.5-/3.5-Digit Panel Meters with 4-20mA Output
    Modal heading
    Add to myAnalog

    Add product to the Products section of myAnalog (to receive notifications), to an existing project or to a new project.

    Create New Project

    Evaluation Kits

    MAX1366EVSYS

    Evaluation Kit/Evaluation System for the MAX1365, MAX1366, MAX1367, and MAX1368

    Features and Benefits

    • On-Board 5-Digit LED Display
    • User-Friendly, Digital Meter Emulation Software
    • Proven PCB Layout
    • Windows 98SE/2000/XP-Compatible Evaluation Software
    • Convenient Configuration Jumpers and Test Points
    • EV System Includes USB Connectivity

    Product Details

    The MAX1366 evaluation kit (EV kit) is a fully assembled and tested PCB that demonstrates the capabilities of the MAX1366 4.5-digit panel meter with 4–20mA output. The MAX1366 EV kit also includes Windows® 98SE/2000/XP-compatible software that provides a simple graphical user interface (GUI) for exercising the features of the MAX1366.

    The MAX1366 evaluation system (EV system) consists of the MAX1366 EV kit and a companion CMAXQUSB serial-interface board. The CMAXQUSB interface board allows a PC to control an SPI interface using its USB port. Order the MAX1366 EV system for a complete PC-based evaluation of the MAX1366. Order the MAX1366 EV kit if you already have a MAX1366-compatible serial interface.

    The MAX1366 EV kit also supports the MAX1365/MAX1367/MAX1368.

    Applications

    • Automated Test Equipment (ATE)
    • Data Acquisition Systems
    • Digital Multimeters
    • Digital Panel Meters
    • Digital Voltmeters
    • Industrial Process Control

    MAX1366EVKIT

    Evaluation Kit/Evaluation System for the MAX1365, MAX1366, MAX1367, and MAX1368

    Features and Benefits

    • On-Board 5-Digit LED Display
    • User-Friendly, Digital Meter Emulation Software
    • Proven PCB Layout
    • Windows 98SE/2000/XP-Compatible Evaluation Software
    • Convenient Configuration Jumpers and Test Points
    • EV System Includes USB Connectivity

    Product Details

    The MAX1366 evaluation kit (EV kit) is a fully assembled and tested PCB that demonstrates the capabilities of the MAX1366 4.5-digit panel meter with 4–20mA output. The MAX1366 EV kit also includes Windows® 98SE/2000/XP-compatible software that provides a simple graphical user interface (GUI) for exercising the features of the MAX1366.

    The MAX1366 evaluation system (EV system) consists of the MAX1366 EV kit and a companion CMAXQUSB serial-interface board. The CMAXQUSB interface board allows a PC to control an SPI interface using its USB port. Order the MAX1366 EV system for a complete PC-based evaluation of the MAX1366. Order the MAX1366 EV kit if you already have a MAX1366-compatible serial interface.

    The MAX1366 EV kit also supports the MAX1365/MAX1367/MAX1368.

    Applications

    • Automated Test Equipment (ATE)
    • Data Acquisition Systems
    • Digital Multimeters
    • Digital Panel Meters
    • Digital Voltmeters
    • Industrial Process Control

    MAX1366EVSYS
    Evaluation Kit/Evaluation System for the MAX1365, MAX1366, MAX1367, and MAX1368
    MAX1366EVKIT
    Evaluation Kit/Evaluation System for the MAX1365, MAX1366, MAX1367, and MAX1368

    Latest Discussions

    No discussions on MAX1365 yet. Have something to say?

    Start a Discussion on EngineerZone®

    Recently Viewed