MAX1296
PRODUCTION420ksps, +5V, 6-/2-Channel, 12-Bit ADCs with +2.5V Reference and Parallel Interface
Smallest, Low-Power, Parallel-Output 12-Bit ADCs
- Part Models
- 1
- 1ku List Price
- Starting From $7.54
Overview
- 12-Bit Resolution, ±0.5 LSB Linearity
- Single +5V Operation
- Internal +2.5V Reference
- Software-Configurable Analog Input Multiplexer
- 6-Channel Single-Ended/3-Channel Pseudo-Differential (MAX1294)
- 2-Channel Single-Ended/1-Channel Pseudo-Differential (MAX1296)
- Software-Configurable Unipolar/Bipolar Analog Inputs
- Low Current
- 2.8mA (420ksps)
- 1.0mA (100ksps)
- 400µA (10ksps)
- 2µA (Shutdown)
- Internal 6MHz Full-Power Bandwidth Track/Hold
- Parallel 12-Bit Interface
- Small Footprint
- 28-Pin QSOP (MAX1294)
- 24-Pin QSOP (MAX1296)
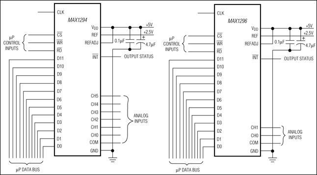
The MAX1294/MAX1296 low-power, 12-bit analog-to-digital converters (ADCs) feature a successive-approximation ADC, automatic power-down, fast wake-up (2µs), an on-chip clock, +2.5V internal reference, and a high-speed 12-bit parallel interface. They operate with a single +5V analog supply.
Power consumption is only 10mW at the maximum sampling rate of 420ksps. Two software-selectable power-down modes enable the MAX1294/MAX1296 to be shut down between conversions; accessing the parallel interface returns them to normal operation. Powering down between conversions can reduce supply below 10µA at lower sampling rates.
Both devices offer software-configurable analog inputs for unipolar/bipolar and single-ended/pseudo-differential operation. In single-ended mode, the MAX1294 has six input channels and the MAX1296 has two (three input channels and one input channel, respectively, when in pseudo-differential mode).
Excellent dynamic performance and low power, combined with ease of use and small package size, make these converters ideal for battery-powered and data-acquisition applications or for other circuits with demanding power-consumption and space requirements.
The MAX1294/MAX1296 tri-states active-low INT when active-low CS goes high. Refer to MAX1266/MAX1268 if tri-stating active-low INT is not desired.
The MAX1294 is offered in a 28-pin QSOP package, while the MAX1296 is available in a 24-pin QSOP. For pin-compatible +3V, 12-bit versions, see the MAX1295/MAX1297.
Applications
- Data Acquisition Systems
- Data Logging
- Energy Management
- Industrial Controls Systems
- Patient Monitoring
- Touch Screens
Documentation
ADI has always placed the highest emphasis on delivering products that meet the maximum levels of quality and reliability. We achieve this by incorporating quality and reliability checks in every scope of product and process design, and in the manufacturing process as well. "Zero defects" for shipped products is always our goal. View our quality and reliability program and certifications for more information.
| Part Model | Pin/Package Drawing | Documentation | CAD Symbols, Footprints, and 3D Models |
|---|---|---|---|
| MAX1296AEEG+ | 24-QSOP-150_MIL |
| Part Models | Product Lifecycle | PCN |
|---|---|---|
|
Jan 24, 2019 - 1746N ASSEMBLY |
||
| MAX1296AEEG+ | PRODUCTION | |
This is the most up-to-date revision of the Data Sheet.
Software Resources
Can't find the software or driver you need?
Request a Driver/SoftwareHardware Ecosystem
| Parts | Product Life Cycle | Description |
|---|---|---|
| Analog to Digital Converters (ADCs) 9 | ||
| MAX1295 | PRODUCTION | 265ksps, +3V, 6-/2-Channel, 12-Bit ADCs with +2.5V Reference and Parallel Interface |
| MAX1297 | 265ksps, +3V, 6-/2-Channel, 12-Bit ADCs with +2.5V Reference and Parallel Interface | |
| MAX1290 | PRODUCTION | 400ksps, +5V, 8-/4-Channel, 12-Bit ADCs with +2.5V Reference and Parallel Interface |
| MAX1292 | PRODUCTION | 400ksps, +5V, 8-/4-Channel, 12-Bit ADCs with +2.5V Reference and Parallel Interface |
| MAX196 | PRODUCTION | 6-Channel, Multirange, 5V, 12-Bit DAS with 12-Bit Bus Interface and Fault Protection |
| MAX1264 | PRODUCTION | 400ksps, +5V, 8-/4-Channel, 12-Bit ADCs with +2.5V Reference and Parallel Interface |
| MAX1268 | LAST TIME BUY | 420ksps, +5V, 6-/2-Channel, 12-Bit ADCs with +2.5V Reference and Parallel Interface |
| MAX1267 | PRODUCTION | 265ksps, +3V, 6-/2-Channel, 12-Bit ADCs with +2.5V Reference and Parallel Interface |
| MAX1293 | PRODUCTION | 250ksps, +3V, 8-/4-Channel, 12-Bit ADCs with +2.5V Reference and Parallel Interface |
Latest Discussions
No discussions on MAX1296 yet. Have something to say?
Start a Discussion on EngineerZone®