MAX1261
PRODUCTION250ksps, +3V, 8-/4-Channel, 12-Bit ADCs with +2.5V Reference and Parallel Interface
- Part Models
- 3
- 1ku List Price
- Starting From $14.83
Overview
- 12-Bit Resolution, ±0.5 LSB Linearity
- +3V Single Operation
- User-Adjustable Logic Level (+1.8V to +3.6V)
- Internal +2.5V Reference
- Software-Configurable, Analog Input Multiplexer
- 8-Channel Single Ended/
- 4-Channel Pseudo-Differential (MAX1261)
- 4-Channel Single Ended/
- 2-Channel Pseudo-Differential (MAX1263)
- Software-Configurable, Unipolar/Bipolar Inputs
- Low Power
- 1.9mA (250ksps)
- 1.0mA (100ksps)
- 400µA (10ksps)
- 2µA (Shutdown)
- Internal 3MHz Full-Power Bandwidth Track/Hold
- Byte-Wide Parallel (8 + 4) Interface
- Small Footprint
- 28-Pin QSOP (MAX1261)
- 24-Pin QSOP (MAX1263)
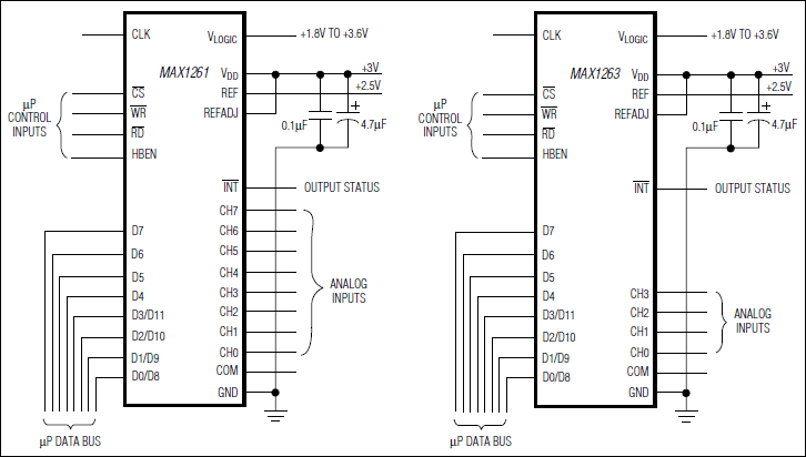
The MAX1261/MAX1263 low-power, 12-bit analog-to-digital converters (ADCs) feature a successive-approximation ADC, automatic power-down, fast wake-up (2µs), an on-chip clock, +2.5V internal reference, and a high-speed, byte-wide parallel interface. They operate with a single +3V analog supply and feature a VLOGIC pin that allows them to interface directly with a +1.8V to +5.5V digital supply.
Power consumption is only 5.7mW (VDD = VLOGIC) at the maximum sampling rate of 250ksps. Two software-selectable power-down modes enable the MAX1261/MAX1263 to be shut down between conversions; accessing the parallel interface returns them to normal operation. Powering down between conversions can cut supply current to under 10µA at reduced sampling rates.
Both devices offer software-configurable analog inputs for unipolar/bipolar and single-ended/pseudo-differential operation. In single-ended mode, the MAX1261 has eight input channels and the MAX1263 has four input channels (four and two input channels, respectively, when in pseudo-differential mode).
Excellent dynamic performance and low power, combined with ease of use and small package size, make these converters ideal for battery-powered and data-acquisition applications or for other circuits with demanding power consumption and space requirements.
The MAX1261 is available in a 28-pin QSOP package, while the MAX1263 is available in a 24-pin QSOP. For pin-compatible +5V, 12-bit versions, refer to the MAX1262/MAX1264 data sheet.
Applications
- Data Acquisition Systems
- Data Logging
- Energy Management
- Industrial Controls Systems
- Patient Monitoring
- Touch Screens
Documentation
ADI has always placed the highest emphasis on delivering products that meet the maximum levels of quality and reliability. We achieve this by incorporating quality and reliability checks in every scope of product and process design, and in the manufacturing process as well. "Zero defects" for shipped products is always our goal. View our quality and reliability program and certifications for more information.
| Part Model | Pin/Package Drawing | Documentation | CAD Symbols, Footprints, and 3D Models |
|---|---|---|---|
| MAX1261ACEI+ | 28-QSOP-150_MIL | ||
| MAX1261AEEI+ | 28-QSOP-150_MIL | ||
| MAX1261AEEI+T | 28-QSOP-150_MIL |
| Part Models | Product Lifecycle | PCN |
|---|---|---|
|
Jan 24, 2019 - 1746N ASSEMBLY |
||
| MAX1261AEEI+ | PRODUCTION | |
| MAX1261AEEI+T | PRODUCTION | |
This is the most up-to-date revision of the Data Sheet.
Software Resources
Can't find the software or driver you need?
Request a Driver/SoftwareHardware Ecosystem
| Parts | Product Life Cycle | Description |
|---|---|---|
| Analog to Digital Converters (ADCs) 7 | ||
| MAX1060 | LAST TIME BUY | 400ksps, +5V, 8-/4-Channel, 10-Bit ADCs with +2.5V Reference and Parallel Interface |
| MAX1268 | LAST TIME BUY | 420ksps, +5V, 6-/2-Channel, 12-Bit ADCs with +2.5V Reference and Parallel Interface |
| MAX1267 | PRODUCTION | 265ksps, +3V, 6-/2-Channel, 12-Bit ADCs with +2.5V Reference and Parallel Interface |
| MAX1290 | PRODUCTION | 400ksps, +5V, 8-/4-Channel, 12-Bit ADCs with +2.5V Reference and Parallel Interface |
| MAX115 | PRODUCTION | 2x4-Channel, Simultaneous-Sampling 12-Bit ADCs |
| MAX1262 | PRODUCTION | 400ksps, +5V, 8-/4-Channel, 12-Bit ADCs with +2.5V Reference and Parallel Interface |
| MAX1291 | PRODUCTION | 250ksps, +3V, 8-/4-Channel, 12-Bit ADCs with +2.5V Reference and Parallel Interface |
Latest Discussions
No discussions on MAX1261 yet. Have something to say?
Start a Discussion on EngineerZone®