LTC7106-1

Obsolete

A 7-Bit Current DAC with SPI Interface

Viewing:

Overview

  • ±0.8% IDAC Positive Output Current Accuracy (Over Temp)
  • n ±1.5% IDAC Negative Output Current Accuracy (Over Temp)
  • Input Voltage Range: 2.5V to 5.5V
  • High Impedance at IDAC Output When Disabled
  • Wide IDAC Operation Voltage (0.4V to 2.0V)
  • 7-Bit Programmable DAC Output Current for DC/DC VOUT Control
  • Wide Range IDAC Output Current: ±16μA to ±256μA
  • Programmable Slew Rate: 500ns ~ 3ms per Bit
  • Available in a 10-Lead (3mm × 2mm) DFN Package

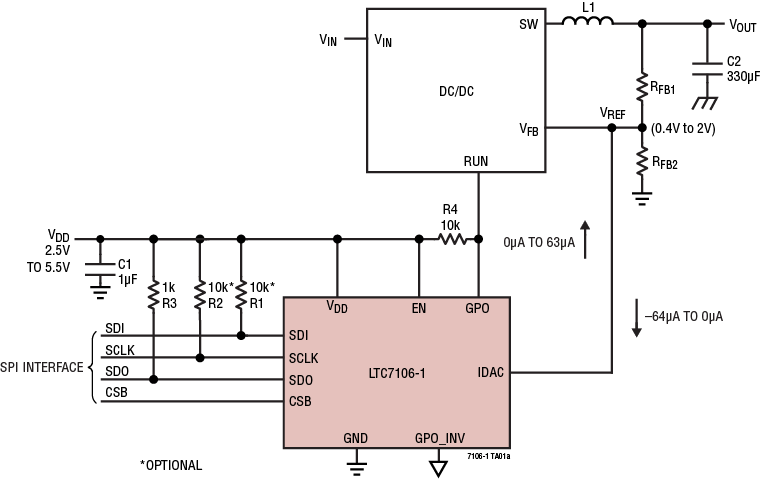
The LTC7106-1 is a precision, SPI controlled, bidirectional current digital-to-analog converter that adjusts the output voltage of any conventional VFB referenced regulator. The LTC7106-1 can work with the vast majority of power management controllers or regulators to enable digital control of the output voltage. Internal power-on reset circuitry keeps the DAC output current at zero (high impedance IDAC) until a valid write takes place. 

Features include a range bit for easy interfacing to almost any impedance resistor divider, and an open-drain GPO output for controlling the Run or Enable pin of the DC/ DC regulator. For most applications, the current DAC error is significantly attenuated with proper design. See more detail about VOUT accuracy in the Applications Information section of this data sheet. The LTC7106 shares the same current DAC, but is controlled by an I2C PMBus interface.

Applications

  • General Purpose Power Systems
  • Telecom Systems
  • Industrial Applications

LTC7106-1
A 7-Bit Current DAC with SPI Interface
LTC7106-1 Application Circuit LTC7106-1 Performance Graph LTC7106-1 Pin Configuration
Add to myAnalog

Add product to the Products section of myAnalog (to receive notifications), to an existing project or to a new project.

Create New Project
Ask a Question

Documentation

Learn More
Add to myAnalog

Add media to the Resources section of myAnalog, to an existing project or to a new project.

Create New Project

Software Resources

Evaluation Software 1

LTC7106-1 GUI

This GUI is used to read and write to the addresses for the LTC7106-1. It requires the use of the DC2026C to translate between USB and SPI-compatible serial communications formats.

Latest Discussions

No discussions on LTC7106-1 yet. Have something to say?

Start a Discussion on EngineerZone®

Recently Viewed