LTC4303
PRODUCTIONHot Swappable 2-Wire Bus Buffer with Stuck Bus Recovery
- Part Models
- 8
- 1ku List Price
- Starting From $2.55
Overview
- Automatic Disconnect of SDA/SCL Lines when Bus is Stuck Low for ≥ 30ms
- Recovers Stuck Busses with Automatic Clocking*
- Bidirectional Buffer* for SDA and SCL Lines Increases Fanout
- Prevents SDA and SCL Corruption During Live Board Insertion and Removal from Backplane
- Pin Compatible with LTC4300A-1
- ±15kV Human Body Model ESD Protection
- Isolates Input SDA and SCL Lines from Output
- Compatible with I2C™, I2C Fast-Mode and SMBus Standards (Up to 400kHz Operation)
- READY Open Drain Output
- 1V Precharge on All SDA and SCL Lines
- High Impedance SDA, SCL Pins for VCC = 0V
- ENABLE Gates Connection from Input to Output
- MSOP 8-Pin and DFN (3mm × 3mm) Packages
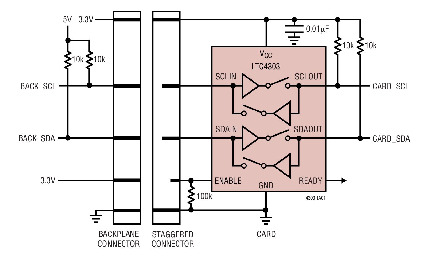
The LTC4303 hot swappable 2-wire Bus Buffer allows I/O card insertion into a live backplane without corruption of the data and clock busses. When a connection is made, the LTC4303 provides bidirectional buffering, keeping the backplane and card capacitances isolated. If SDAOUT or SCLOUT is low for ≥ 30ms (typ), the LTC4303 automatically breaks the data and clock bus connection. At this time the LTC4303 automatically generates up to 16 clock pulses on SCLOUT in an attempt to free the bus. A connection will be enabled automatically when the bus becomes free.
Rise-time accelerator circuitry allows the use of larger pull-up resistors while still meeting rise-time requirements. During insertion, the SDA and SCL lines are precharged to 1V to minimize bus disturbances. When driven high, ENABLE allows the LTC4303 to connect after a stop bit or bus idle occurs. Driving ENABLE low breaks the connection between SDAIN and SDAOUT, SCLIN and SCLOUT. READY is an open drain output that indicates when the backplane and card sides are connected together.
Applications
- Hot Board Insertion
- Servers
- Capacitance Buffer/Bus Extender
- RAID Systems
Documentation
Data Sheet 1
Reliability Data 1
Technical Articles 1
Video 2
Product Selector Card 2
ADI has always placed the highest emphasis on delivering products that meet the maximum levels of quality and reliability. We achieve this by incorporating quality and reliability checks in every scope of product and process design, and in the manufacturing process as well. "Zero defects" for shipped products is always our goal. View our quality and reliability program and certifications for more information.
| Part Model | Pin/Package Drawing | Documentation | CAD Symbols, Footprints, and 3D Models |
|---|---|---|---|
| LTC4303CDD#PBF | 8-Lead DFN (3mm x 3mm x 0.75mm w/ EP) | ||
| LTC4303CDD#TRPBF | 8-Lead DFN (3mm x 3mm x 0.75mm w/ EP) | ||
| LTC4303CMS8#PBF | 8-Lead MSOP | ||
| LTC4303CMS8#TRPBF | 8-Lead MSOP | ||
| LTC4303IDD#PBF | 8-Lead DFN (3mm x 3mm x 0.75mm w/ EP) | ||
| LTC4303IDD#TRPBF | 8-Lead DFN (3mm x 3mm x 0.75mm w/ EP) | ||
| LTC4303IMS8#PBF | 8-Lead MSOP | ||
| LTC4303IMS8#TRPBF | 8-Lead MSOP |
| Part Models | Product Lifecycle | PCN |
|---|---|---|
|
Feb 3, 2020 - 20_0128 Laser Top Mark for 8 Lead MSOP Packages Assembled in ADPG and UTAC |
||
| LTC4303CMS8#PBF | PRODUCTION | |
| LTC4303CMS8#TRPBF | PRODUCTION | |
| LTC4303IMS8#PBF | PRODUCTION | |
| LTC4303IMS8#TRPBF | PRODUCTION | |
This is the most up-to-date revision of the Data Sheet.