LTC4286

RECOMMENDED FOR NEW DESIGNS

High Power Positive Hot-Swap Controller with Power Monitor via PMBus

Viewing:

Overview

  • Wide operating voltage range: 8.5 V to 80 V
  • Monitors currents, voltages, and power with ADC
  • Adjustable, 5% accurate current limit: 6 mV to 20 mV
  • Current foldback limits MOSFET power dissipation for overstress protection
  • Monitors VGS and VDS for MOSFET health
  • Peak detect registers for current, voltage, and power
  • Reports input or output power
  • Remote temperature sensing with programmable warning and shutdown thresholds
  • ±1% accurate, 12-bit ADC for IOUT, VIN, and VOUT
  • Available in 39-lead, 7 mm x 7 mm, QFN package
  • Available in 48-lead, 7 mm x 7 mm, QFN package

The LTC4286 is an integrated solution for hot-swap applications allowing a board to be safely inserted and removed from a live backplane. The circuit breaker timer protects against metal-oxide semiconductor field-effect transistor (MOSFET) overheating, enabling reliable protection against overstress.

The SMBus 3.1 interface, PMBus command structure, and onboard analog-to-digital converter (ADC) with selectable averaging and speed allow monitoring of board current, voltage, power, temperature, and fault status.

The LTC4286 has additional features to respond to input undervoltage (UV) and overvoltage (OV): interrupts the host when a fault occurs, notifies when output power is good, detects insertion of a board, and auto-reboot after a programmable delay following a host commanded turn off.

APPLICATIONS

  • High availability server backplane systems
  • 12 V/24 V/48 V/54 V Distributed power systems
  • Industrial

LTC4286
High Power Positive Hot-Swap Controller with Power Monitor via PMBus
LTC4286 Pin Configuration LTC4286 Functional Block Diagram
Add to myAnalog

Add product to the Products section of myAnalog (to receive notifications), to an existing project or to a new project.

Create New Project
Ask a Question

Documentation

Learn More
Add to myAnalog

Add media to the Resources section of myAnalog, to an existing project or to a new project.

Create New Project

Software Resources

Can't find the software or driver you need?

Request a Driver/Software

Tools & Simulations

LTspice


Models for the following parts are available in LTspice:

  • LTC4286

LTpowerPlay®

LTpowerPlay® is a powerful, Windows-based development environment supporting Linear Technology's Digital Power System Management (PSM) products.

Open Tool
LTspice

LTspice® is a powerful, fast and free simulation software, schematic capture and waveform viewer with enhancements and models for improving the simulation of analog circuits.


Evaluation Kits

eval board
EVAL-LTC4286

Evaluating the LTC4286 High Voltage Positive Hot Swap Controller with Power Monitor and PMBus

Features and Benefits

  • Fully functional evaluation kit board for the LTC4286
  • Populated with 54 V, 36 A, 1 mF design
  • 40 V undervoltage and 60 V overvoltage settings
  • Flexible N channel MOSFET footprint suits different packages
  • Supports up to 12 parallel sense resistors and six parallel MOSFETs
  • LED indicated status outputs
  • Wide input voltage range: 8.5 V to 80 V
  • 100 V absolute maximum
  • MOSFET temperature measurement capability
  • I2C/PMBus communication

Product Details

EVAL-LTC4286-A1Z is a fully featured evaluation board for the LTC4286. The board layout provides a clear example of all the peripheral components and the hot-swap power path. The layout also maximizes the ability of the board to dissipate heat for some of the key components on the power path, allowing the evaluation of high-current hot-swap setups.

Twelve sense resistor footprints and six (three on the bottom side) multipackage metal-oxide semiconductor field-effect transistor (MOSFET) footprints provide great flexibility and allow a wide range of application setups.

Multiple test points allow easy access to all critical points and pins. Seven light emitting diodes (LEDs) provide direct visual indication of board status, such as supply input, output, SDA, SCL, ALERT, power good, and fault.

The board supports PMBus communication, allowing the user to communicate with the LTC4286.

The board is fully compatible with the LTpowerPlay® evaluation software, which can be downloaded from the LTpowerPlay page.

A USB-to-I2C controller (DC1613A) is required to use the evaluation software.

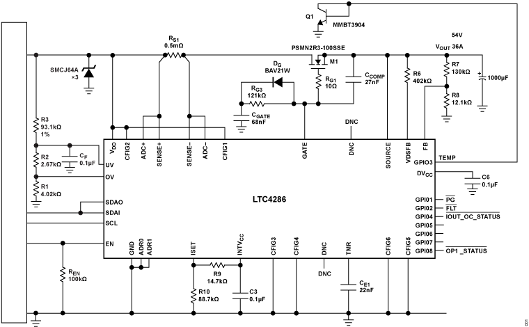
The standard evaluation kit is prepopulated and tested with a 54 V, 36 A hot-swap design capable of working with a 1 mF output capacitor.

Full specifications on the LTC4286 are available in the LTC4286 data sheet available from Analog Devices, Inc., and must be consulted with the user guide when using the EVAL-LTC4286-A1Z evaluation board.

eval board
AD-PS0005-RD

48V Power System for Bench Test Equipment

Features and Benefits

  • Designed to be used for 48V Power Systems as the 48V offers a higher power density.
  • Integrated solution for hot-swap applications allowing a board to be safely inserted and removed from a live backplane.
  • Ease in design as it uses micro modules that will utilize few external components
  • High power and low voltage capability for FPGAs, microcontrollers, etc.

Product Details

The AD-PS0005-RD reference design provides a comprehensive power solution for 48V systems, featuring multiple outputs and a hot-swappable capability for enhanced reliability and flexibility.

This system board integrates the following key components: LTC4286, a high-power positive hot-swap controller; LTM4660, a 60V/300W hybrid step-down µModule® bus converter that delivers the 12V output; LTM4681, a quad 31.25A µModule regulator with an advanced digital power management system; and LTM4655, a 40V dual 4A step-down or 50W inverting µModule regulator for versatile power conversion.

APPLICATIONS

  • 48V Bench Test Equipment
  • 48V System Data Center
  • Microcontrollers and FPGAs

EVAL-LTC4286
Evaluating the LTC4286 High Voltage Positive Hot Swap Controller with Power Monitor and PMBus
EVAL-LTC4286 Evaluation Board EVAL-LTC4286 Evaluation Board - Top View EVAL-LTC4286 Evaluation Board - Bottom View
AD-PS0005-RD
48V Power System for Bench Test Equipment
AD-PS0005-RD Evaluation Board Angle View AD-PS0005-RD Evaluation Board Top View AD-PS0005-RD Evaluation Board Bottom View AD-PS0005-RD Block Diagram

Latest Discussions

Recently Viewed