LTC3114-1

RECOMMENDED FOR NEW DESIGNS

40V, 1A Synchronous Buck-Boost DC/DC Converter with Programmable Output Current

Viewing:

Overview

  • Regulates VOUT Above, Below or Equal to VIN
  • Single Inductor
  • Wide VIN Range: 2.2V to 40V
  • Wide VOUT Range: 2.7V to 40V
  • 1A Output Current in Buck Mode
  • 0.5A Output Current, VIN = 3.6V, VOUT = 5V
  • Programmable Average Output Current
  • Up to 96% Efficiency
  • Burst Mode® Operation, 30µA No-Load IQ
  • Current Mode Control
  • 1.2MHz Ultralow Noise PWM
  • Accurate RUN Pin Threshold
  • Thermally Enhanced, 16-lead 3mm × 5mm DFN and TSSOP Packages
  • AEC-Q100 Qualified for Automotive Applications

The LTC3114-1 is a versatile, wide operating voltage range synchronous monolithic buck-boost DC/DC converter with programmable average output current. The LTC3114-1’s proprietary buck-boost PWM control circuitry delivers low noise operation across the entire operating voltage range. Current mode control ensures exceptional line and load transient responses.

Synchronous, internal MOSFET switches and pin selectable Burst Mode operation maintain high efficiency across the entire range of load current. Average output current is programmed with a standard resistor and provides the basis for wide input range, high efficiency charging systems or constant current, high efficiency LED drive. Regulator turn-on is programmable through the accurate RUN pin. Quiescent current is just 3µA in shutdown. Overtemperature protection, short-circuit protection and soft-start are integrated. The LTC3114-1 is offered in 16-lead 3mm × 5mm × 0.75mm DFN and 16 lead TSSOP (FE) packages.

Applications

  • 24V/28V Industrial Power Supply
  • 12V Lead-Acid to 12V Regulator
  • High Power LED Driver
  • 12V/24V Solar Panel Battery Charging Systems
  • Automotive Power Systems

LTC3114-1
40V, 1A Synchronous Buck-Boost DC/DC Converter with Programmable Output Current
Efficiency vs Input Voltage Product Package 1 Product Package 2
Add to myAnalog

Add product to the Products section of myAnalog (to receive notifications), to an existing project or to a new project.

Create New Project
Ask a Question

Documentation

Learn More
Add to myAnalog

Add media to the Resources section of myAnalog, to an existing project or to a new project.

Create New Project

Software Resources

Can't find the software or driver you need?

Request a Driver/Software

Hardware Ecosystem

Parts Product Life Cycle Description
Protection Switches & Controllers 1
LTC4364 RECOMMENDED FOR NEW DESIGNS Surge Stopper with Ideal Diode
Modal heading
Add to myAnalog

Add product to the Products section of myAnalog (to receive notifications), to an existing project or to a new project.

Create New Project

Tools & Simulations

LTspice 2


Models for the following parts are available in LTspice:

  • LTC3114-1

LTpowerCAD 1


Design tools for the following parts are available in LTpowerCAD:

  • LTC3114-1
LTspice

LTspice® is a powerful, fast and free simulation software, schematic capture and waveform viewer with enhancements and models for improving the simulation of analog circuits.

LTpowerCAD

LTpowerCAD® is a power supply design program which selects power stage components, provides detailed power efficiency, shows quick loop Bode plot stability and load transient analysis, and can export to LTspice for simulation.


Evaluation Kits

eval board
SCP-LTC3114-1-EVALZ

LTC3114 Signal Chain Evaluation Board | 40V, 1A Synchronous Buck-Boost DC/DC Converter with Programmable Output Current

Product Details

Demonstration circuit SCP-LTC3114-1-EVALZ features the LTC3114-1, a wide operating range, synchronous mono-lithic buck-boost converter with programmable average output current. The circuit operates with a 2.2V to 40V in-put voltage range.

Like all boards in the Signal Chain Power series, this board is designed to be easily plugged into other SCP boards to form a complete signal chain power system, enabling fast evaluation of low power signal chains. To evaluate this board, some universal SCP hardware is required, namely:

  • SCP-INPUT-EVALZ
  • SCP-OUTPUT-EVALZ
  • SCP-1X5BKOUT-EVALZ
  • SCP-THRUBRD-EVALZ
  • SCP-FILTER-EVALZ
  • SCP-1X2BKOUT-EVALZ
  • SCP-5X1-EVALZ

 

To properly evaluate SCP series demo boards, you will need the SCP Configurator companion software. SCP Configurator can help you choose the right board and topology for your design.

Note that the Demo Manual does not cover details important to the operation and configuration regarding the LTC3114-1. Please refer to the LTC3114-1 data sheet for a complete description of the part.

eval board
DC1821B

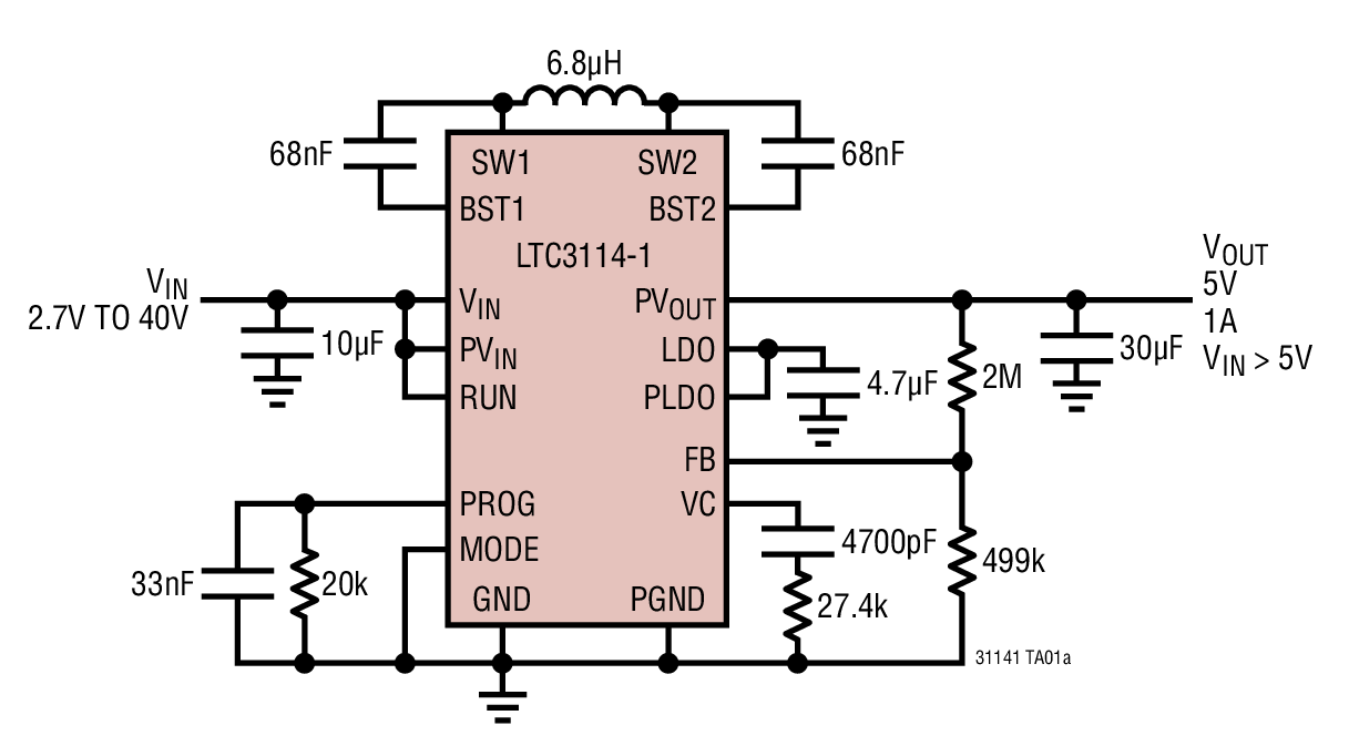
LTC3114EDHC-1 Demo Board | Sync Buck-Boost, VIN=2.7V to 40V, VOUT = 5V @ Up to 1A

Product Details

Demonstration circuit 1821B features the LTC3114-1, a wide operating range synchronous monolithic buck-boost converter with programmable average output current. DC1821B operates with a 2.7V to 40V input voltage range. The demo board has been designed with the output voltage set to 5V and can provide up to 1A output with VIN > 6V. It features two user selectable operating modes: Burst Mode® operation and Fixed Frequency PWM (JP2). There is also an accurate programmable RUN pin which is used to ENABLE the converter (JP1).


The LTC3114-1 uses average current mode control to simplify voltage loop compensation and provide good line and load transient response. It incorporates a proprietary low noise switching algorithm which optimizes efficiency with input voltages above, below or equal to the output voltage and ensures seamless transitions between operating modes.


 


 


SCP-LTC3114-1-EVALZ
LTC3114 Signal Chain Evaluation Board | 40V, 1A Synchronous Buck-Boost DC/DC Converter with Programmable Output Current
LTC3114 Signal Chain Evaluation Board LTC3114 Signal Chain Evaluation Board - Top View LTC3114 Signal Chain Evaluation Board - Bottom View
DC1821B
LTC3114EDHC-1 Demo Board | Sync Buck-Boost, VIN=2.7V to 40V, VOUT = 5V @ Up to 1A
DC1821B Demo Board DC1821B Demo Board DC1821B Demo Board DC1821B Demo Board DC1821B Schematic Image

Latest Discussions

No discussions on LTC3114-1 yet. Have something to say?

Start a Discussion on EngineerZone®

Recently Viewed