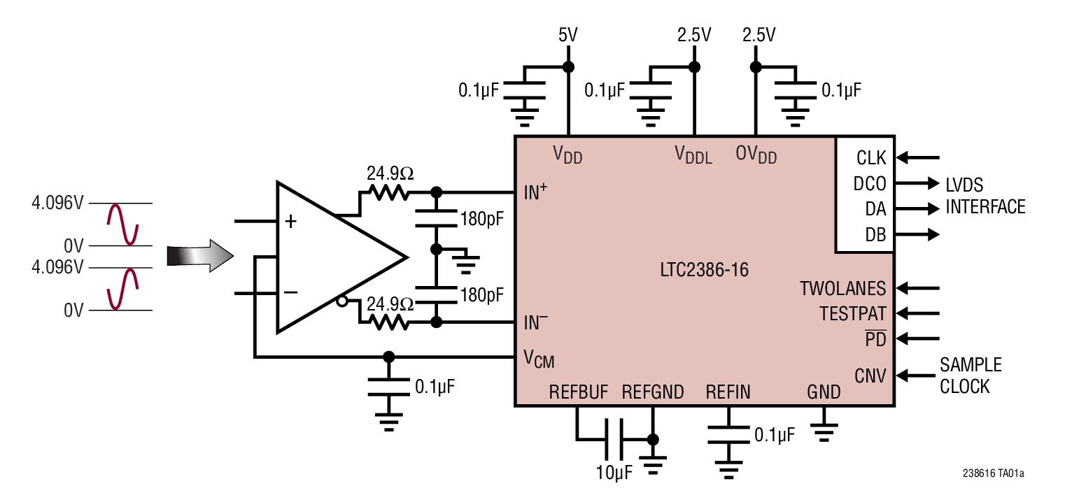
LTC2386-16

PRODUCTION

16-Bit, 10Msps SAR ADC

Viewing:

Overview

  • 10Msps Throughput Rate
  • No Pipeline Delay, No Cycle Latency
  • 93.8dB SNR (Typ) at fIN = 1MHz
  • 102dB SFDR (Typ) at fIN = 1MHz
  • Nyquist Sampling Up to 5MHz Input
  • Guaranteed 16-Bit, No Missing Codes
  • ±0.5LSB INL (Max)
  • 8.192VP-P Differential Inputs
  • 5V and 2.5V Supplies
  • Internal 20ppm/°C (Max) Reference
  • Serial LVDS Interface
  • 97mW Power Dissipation
  • 32-Pin (5mm × 5mm) QFN Package

The LTC2386-16 is a low noise, high speed, 16-bit 10Msps successive approximation register (SAR) ADC ideally suited for a wide range of applications. The combination of excellent linearity and wide dynamic range makes the LTC2386-16 ideal for high speed imaging and instrumentation applications. No-latency operation provides a unique solution for high speed control loop applications. The very low distortion at high input frequencies enables communications applications requiring wide dynamic range and significant signal bandwidth.

To support high speed operation while minimizing the number of data lines, the LTC2386-16 features a serial LVDS digital interface. The LVDS interface has one-lane and two-lane output modes, allowing the user to optimize the interface data rate for each application.

Applications

  • High Speed Data Acquisition
  • Imaging
  • Communications
  • Control Loops
  • Instrumentation
  • ATE

LTC2386-16
16-Bit, 10Msps SAR ADC
FFT, fSMPL = 10Msps, fIN = 2kHz Product Package 1
Add to myAnalog

Add product to the Products section of myAnalog (to receive notifications), to an existing project or to a new project.

Create New Project
Ask a Question

Documentation

Data Sheet

This is the most up-to-date revision of the Data Sheet.

Learn More
Add to myAnalog

Add media to the Resources section of myAnalog, to an existing project or to a new project.

Create New Project

Software Resources

Evaluation Software 3

DC2290 CPLD Source Code

PScope

The PScope System is a USB-based product demonstration and data acquisition system for use with high performance ADCs and signal chain receiver family. PScope allows users to evaluate the SNR, SFDR, THD, as well as other key parameters, quickly and easily.

LinearLab Tools

A collection of Matlab and Python programs that provide direct access to Linear Technology’s data converter evaluation boards.


Hardware Ecosystem

Parts Product Life Cycle Description
Operational Amplifiers (Op Amps) 1
LT6201 PRODUCTION Dual 165MHz, Rail-to-Rail Input and Output, 0.95nV/√Hz Low Noise, Op Amp Family
Voltage References 1
LTC6655 PRODUCTION 0.25ppm Noise, Low Drift Precision References
Modal heading
Add to myAnalog

Add product to the Products section of myAnalog (to receive notifications), to an existing project or to a new project.

Create New Project

Tools & Simulations

LTspice


Models for the following parts are available in LTspice:

  • LTC2386-16
  • LTC2386-18

IBIS Model 1

LTspice

LTspice® is a powerful, fast and free simulation software, schematic capture and waveform viewer with enhancements and models for improving the simulation of analog circuits.


Evaluation Kits

eval board
DC2290A-D

​LTC2386-16 Demo Board | 16-Bit, 10Msps SAR ADC (Requires DC718 & ADC Driver board)

Product Details

Demonstration circuit 2290A features the LTC2387 family. With up to 15Msps, these differential input, single channel, 18-/16-Bit, serial, high speed successive approximation register (SAR) ADCs are available in a 32-Pin QFN package. The LTC2387 family has an internal 20ppm/°C reference and a serial LVDS interface. The demo manual refers to the LTC2387 but applies to all members of the family, the only difference being the sample rate and the number of bits. The DC2290A demonstrates the AC performance of the LTC2387 in conjunction with the DC718 data collection board. Differential amplifier demo boards are available separately that provide amplification of low level differential signals if required. Alternatively, by connecting the DC2290A into a customer application the performance of the LTC2387 can be evaluated directly in that circuit.

DC2290A-D
​LTC2386-16 Demo Board | 16-Bit, 10Msps SAR ADC (Requires DC718 & ADC Driver board)
Figure 1. DC2290A Connection Diagram DC2290A Schematic

Latest Discussions

No discussions on LTC2386-16 yet. Have something to say?

Start a Discussion on EngineerZone®

Recently Viewed