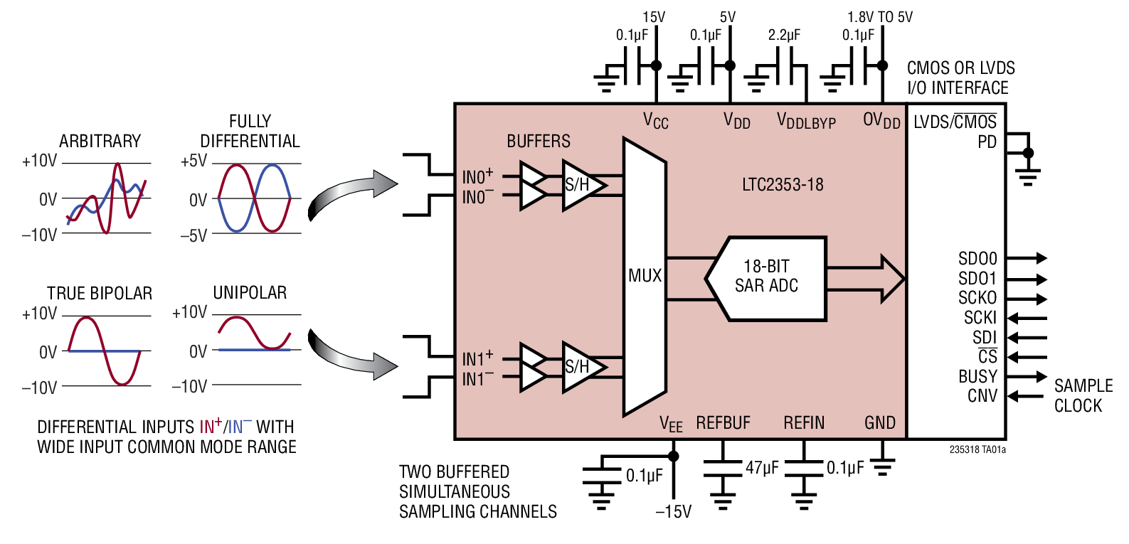
LTC2353-18

PRODUCTION

Buffered Dual, 18-Bit, 550ksps/Ch Differential ±10.24V ADC with 30VP-P Common Mode Range

Viewing:

Overview

  • Simultaneous Sampling of 2 Buffered Channels
  • 550ksps per Channel Throughput
  • 500pA/12nA Max Input Leakage at 85°C/125°C
  • ±3.5LSB INL (Maximum, ±10.24V Range)
  • Guaranteed 18-Bit, No Missing Codes
  • Differential, Wide Common Mode Range Inputs
  • Per-Channel SoftSpan Input Ranges:
  • ±10.24V, 0V to 10.24V, ±5.12V, 0V to 5.12V
  • ±12.5V, 0V to 12.5V, ±6.25V, 0V to 6.25V
  • 96.4dB Single-Conversion SNR (Typical)
  • −110dB THD (Typical) at fIN = 2kHz
  • 124dB CMRR (Typical) at fIN = 200Hz
  • Rail-to-Rail Input Overdrive Tolerance
  • Integrated Reference and Buffer (4.096V)
  • SPI CMOS (1.8V to 5V) and LVDS Serial I/O
  • Internal Conversion Clock, No Cycle Latency
  • 162mW Power Dissipation (Typical)
  • 48-Lead (7mm x 7mm) LQFP Package

The LTC2353-18 is an 18-bit, low noise 2-channel simultaneous sampling successive approximation register (SAR) ADC with buffered differential, wide common mode range picoamp inputs. Operating from a 5V low voltage supply, flexible high voltage supplies, and using the internal reference and buffer, both channels of this SoftSpanTM ADC can be independently configured on a conversion-by-conversion basis to accept ±10.24V, 0V to 10.24V, ±5.12V, or 0V to 5.12V signals. One channel may also be disabled to increase throughput on the other channel.

The integrated picoamp-input analog buffers, wide input common mode range and 124dB CMRR of the LTC2353-18 allow the ADC to directly digitize a variety of signals using minimal board space and power. This input signal flexibility, combined with ±3.5LSB INL, no missing codes at 18 bits, and 96.4dB SNR, makes the LTC2353-18 an ideal choice for many high voltage applications requiring wide dynamic range.

The LTC2353-18 supports pin-selectable SPI CMOS (1.8V to 5V) and LVDS serial interfaces. Either one or two lanes of data output may be employed in CMOS mode, allowing the user to optimize bus width and throughput.

Applications

  • Programmable Logic Controllers
  • Industrial Process Control
  • Power Line Monitoring
  • Test and Measurement

LTC2353-18
Buffered Dual, 18-Bit, 550ksps/Ch Differential ±10.24V ADC with 30VP-P Common Mode Range
LTC235318 Integral Nonlinearity vs Output Code and Channel Package Image 1
Add to myAnalog

Add product to the Products section of myAnalog (to receive notifications), to an existing project or to a new project.

Create New Project
Ask a Question

Documentation

Data Sheet

This is the most up-to-date revision of the Data Sheet.

Learn More
Add to myAnalog

Add media to the Resources section of myAnalog, to an existing project or to a new project.

Create New Project

Software Resources


Tools & Simulations


Evaluation Kits

eval board
DC2365A-C

LTC2353-18 Demo Board | Buffered Dual, 18-Bit, 550ksps Simultaneous Sampling SAR ADC (Requires DC590, DC2026 or DC890)

Product Details

Demonstration circuit 2365A highlights the LTC2358 family of buffered input ADCs. The LTC2358/LTC2357/LTC2353/LTC2333 are low noise, high speed, 16-/18- bit successive approximation register (SAR) ADCs with integrated front end buffers. These ADCs accept a wide common mode range. Pico-amp inputs and high CMRR enable these ADCs to connect directly to a wide range of sensors without compromising measurement accuracy. The following text refers to the LTC2358-18 but applies to all parts in the family, the only differences being the number of bits, number of channels and the maximum sample rate. The LTC2358-18 has a flexible SoftSpan interface that allows conversion-by-conversion control of the input voltage span on a per-channel basis. An internal 2.048V reference and 2X buffer simplify basic operation while an external reference can be used to increase the input range and the SNR of the ADC.

eval board
DC2365A-G

LTC2353-16 Demo Board | Buffered Dual, 18-Bit, 550ksps Simultaneous Sampling SAR ADC (Requires DC590, DC2026 or DC890)

Product Details

Demonstration circuit 2365A highlights the LTC2358 family of buffered input ADCs. The LTC2358/LTC2357/LTC2353/LTC2333 are low noise, high speed, 16-/18- bit successive approximation register (SAR) ADCs with integrated front end buffers. These ADCs accept a wide common mode range. Pico-amp inputs and high CMRR enable these ADCs to connect directly to a wide range of sensors without compromising measurement accuracy. The following text refers to the LTC2358-18 but applies to all parts in the family, the only differences being the number of bits, number of channels and the maximum sample rate. The LTC2358-18 has a flexible SoftSpan interface that allows conversion-by-conversion control of the input voltage span on a per-channel basis. An internal 2.048V reference and 2X buffer simplify basic operation while an external reference can be used to increase the input range and the SNR of the ADC.

DC2365A-C
LTC2353-18 Demo Board | Buffered Dual, 18-Bit, 550ksps Simultaneous Sampling SAR ADC (Requires DC590, DC2026 or DC890)
DC2365A - Demo Board Image
DC2365A-G
LTC2353-16 Demo Board | Buffered Dual, 18-Bit, 550ksps Simultaneous Sampling SAR ADC (Requires DC590, DC2026 or DC890)
DC2365A - Demo Board Image

Latest Discussions

No discussions on LTC2353-18 yet. Have something to say?

Start a Discussion on EngineerZone®

Recently Viewed